Fabricants depuis 1958
Ruedas Alex

SÉRIE ZV-AUAGB 2-4391

Voir la comparaison
Code: 2-4391

Roues avec centre en aluminium et bande de roulement arrondie en polyuréthane vert d'une dureté 80º Shore A. Patriculièrement adaptées pour supporter des charges allant jusqu'à 650 Kgs.

Secteurs d'ultilisation: outils de transport logistique, ateliers, espaces extérieurs, logistique interne, chariots à outils, chariots tubulaires, usines pneumatiques, plates-formes élévatrices, échelles, balayeuses, ponçeuses, machines d'emballage, tapis de transport, grues mobiles, chariots élévateurs, chaudronnerie, ébenistes, charpenterie métallique, granges agricoles, tables élévatrices, charcuteries, conteneurs, gymnases.

Principalement dans le secteur aéronautique, ferroviaire, automobile, alimentation, ateliers, activités industrielles.

Appliquées dans des projets d’ingénierie mécanique par des dessinateurs et des concepteurs,

AUAGB:Roue avec bande de roulement arrondie. Moins d'effort de rotation et de déplacement. Polyuréthane vert avec grande capacité de charge.

Composants

Montours

Fabrication en tôle d’acier emboutie jusqu’à 4 mm d’épaisseur. Finition galvanisée. Double roulement à billes. Modèle à usage universel pour charges moyennes. Fabrication conformément aux normes européennes EN 12530/12532.

Données techniques 2-4391

EAN:
8422202243917
Type De Chape:
Pivotante
Type De Monture:
Platine
Type De Frein:
Blocage Directionnel
Matériel:
Polyuréthane
Température Minimum (ºC):
-20
Température Maximale (ºC):
60
Roulement:
Billes
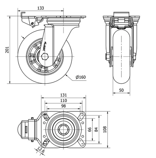
Diamètre (mm):
160
Largeur de la bande (mm):
50
Dimensions de la platine (mm):
140x110
Entre 'axe des trous de fixation (mm):
105x80
Diamètre du trou de fixation (mm):
10
Déport de la roulette (mm):
133
Hauteur totale (mm):
201
Charge:
400
Poids unitaire de la roue (kg):
2,55
Volume (cm3):
4312
:
BALONA
Données techniques 2-4391

Espace privé

Regístrate
Télécharger en formats 3D
Télécharger en formats 2D
DWG
Télécharger le PDF
PDF
Prix
--

Produits similaires

Contact

Contactez-nous

Envoyez-nous le formulaire suivant et nous vous contacterons pour répondre à votre question.

Coordonnées:
Email: info@alex.es
Téléphone: (+34) 974 035 345
Horaires d’ouverture:
Lundi au vendredi: 8-14h / 15-18h
Samedi et dimanche: Fermé
Responsable: Ruedas Alex, S.L.U, siendo la Finalidad: gestionar el contacto entre cualquier interesado y nuestros servicios de atención. La Legitimación: es gracias a tu consentimiento. Destinatarios: no se comunicarán los datos personales a ningún tercero. Podrás efercer Tus Derechos de Acceso, Rectificación, Supresión, Limitación, Oposición y Portabilidad en rgpd@alex.es. Para más información consulte la Política de Privacidad.

Restez informé de toutes les nouvelles, offres et promotions que nous avons préparés pour vous.