Fabricants depuis 1958
Ruedas Alex

SÉRIE ZV-PS 2-4845

Voir la comparaison
Code: 2-4845

Roulettes en caoutchouc noir naturel. Indiquées spécialement pour supporter des charges jusqu'à 215 Kg.

Utilisées pour des chariots d'outillages, chariots tubulaires, logistique interne, gradins mobiles, outils de transport, plateformes élévatrices, ateliers, chariots transporteurs d'aliments, cuisines, cantines, salles à manger, restaurants, Industrie alimentaire, missions de transport de matériel et logistique, outils de transport, compresseurs, échelles, balayeuses, poulisseuses, machines à souder, betonnières, grues, machines d'emballage, bandes transporteuses, grues mobiles, remorques, machinerie légère, menuiseries, serrureries, menuiseries métalliques, fermes agricoles, conteneus à déchets, conteneurs, roll-tainers, roll-palets, cages de transport.

PS : Roulette douce et silencieuse. Protection maximale des sols. Absorption aux chocs et vibrations.

Composants

Montours

Fabrication en tôle d’acier emboutie jusqu’à 4 mm d’épaisseur.Finition galvanisée.Double roulement à billes.Modèle à usage universel pour charges moyennes.Fabrication conformément aux normes européennes EN 12530/12532.

Roue

Corps de roue en polypropylène et bandage en caoutchouc
Plage de températures: -20º ÷ +60º
Résistence Au Roulement Satisfaisant
Le bruit de roulement Excellente
Protection Du Sol Excellente

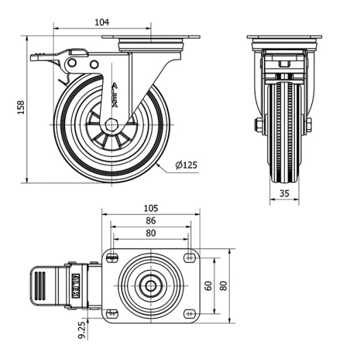
Données techniques 2-4845

EAN:
8422202248455
Type De Chape:
Pivotante
Type De Monture:
Platine
Type De Frein:
Frein Roue Et Support
Matériel:
Caoutchouc
Roulement:
Lisse
Diamètre (mm):
125
Largeur de la bande (mm):
35
Dimensions de la platine (mm):
105x80
Entre 'axe des trous de fixation (mm):
86/80x60
Diamètre du trou de fixation (mm):
8
Déport de la roulette (mm):
104
Hauteur totale (mm):
158
Charge:
125
:
L
Données techniques 2-4845

Espace privé

Regístrate
Télécharger en formats 3D
Télécharger en formats 2D
DWG
Télécharger le PDF
PDF
Prix
--

Produits similaires

Contact

Contactez-nous

Envoyez-nous le formulaire suivant et nous vous contacterons pour répondre à votre question.

Coordonnées:
Email: info@alex.es
Téléphone: (+34) 974 035 345
Horaires d’ouverture:
Lundi au vendredi: 8-14h / 15-18h
Samedi et dimanche: Fermé
Responsable: Ruedas Alex, S.L.U, siendo la Finalidad: gestionar el contacto entre cualquier interesado y nuestros servicios de atención. La Legitimación: es gracias a tu consentimiento. Destinatarios: no se comunicarán los datos personales a ningún tercero. Podrás efercer Tus Derechos de Acceso, Rectificación, Supresión, Limitación, Oposición y Portabilidad en rgpd@alex.es. Para más información consulte la Política de Privacidad.

Restez informé de toutes les nouvelles, offres et promotions que nous avons préparés pour vous.