Fabricants depuis 1958
Ruedas Alex

SÉRIE ZV-POL 2-2369

Voir la comparaison
Code: 2-2369

Roulettes à noyau en polypropylène blanc et bande en polyuréthane brun injecté d'une dureté de 95º shore A. Indiquées spécialement pour supporter des charges jusqu'à 300 kg.

Appliquées pour outils de transport et logistique, ateliers, surfaces extérieures, logistique interne, chariots d'outillages, chariots tubulaires, usines pneumatiques, logistique interne, chariots à outils, outils de transport, plateformes élévatrices, chariots de transport, échelles, balayeuses, polisseuses , machines d'emballage, bandes transporteuses, grues mobiles, chariots élévateurs, chaudronneries, menuiseries, menuiseries métalliques, fermes agricoles, tables élévatrices, Industrie de la viande, conteneurs, centres sportifs, boîtes de son et audio.

Utilisées principalement dans le secteur aéronautique, ferroviaire, automobile, alimentaire, ateliers, activités industrielles.

Appliquées dans des projets d'ingénierie mécanique réalisés par des dessinateurs et des projeteurs.

POL : Forte dureté à l'usure. Forte résistance aux huiles et aux graisses. Silencieuse, propre et indéformable.

Composants

Montours

Fabrication en tôle d’acier emboutie jusqu’à 4 mm d’épaisseur. Finition galvanisée. Double roulement à billes. Modèle à usage universel pour charges moyennes. Fabrication conformément aux normes européennes EN 12530/12532.

Roue

Corps de roue en polypropylène blanc et bandage en polyuréthane marron. Shore A 90º
Plage de températures: -25º ÷ +80º
Résistence Au Roulement Trés Bien
Le bruit de roulement Trés Bien
Protection Du Sol Trés Bien

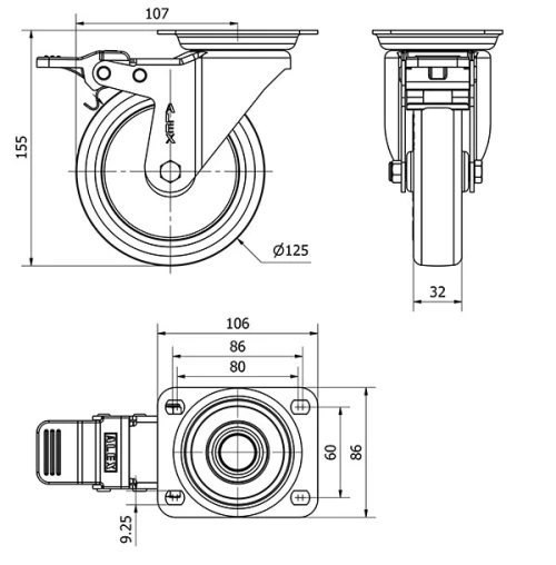
Données techniques 2-2369

EAN:
8422202223698
Type De Chape:
Pivotante
Type De Monture:
Platine
Type De Frein:
Frein Roue Et Support
Matériel:
Polyuréthane
Dureté du bandage:
95º SHORE A
Roulement:
Lisse
Diamètre (mm):
125
Largeur de la bande (mm):
32
Dimensions de la platine (mm):
106x86
Entre 'axe des trous de fixation (mm):
86/80x60
Diamètre du trou de fixation (mm):
8
Déport de la roulette (mm):
107
Hauteur totale (mm):
155
Charge:
250
Poids unitaire de la roue (kg):
1
Volume (cm3):
2493
Données techniques 2-2369

Espace privé

Regístrate
Télécharger en formats 3D
Télécharger en formats 2D
DWG
Télécharger le PDF
PDF
Prix
--

Produits similaires

Contact

Contactez-nous

Envoyez-nous le formulaire suivant et nous vous contacterons pour répondre à votre question.

Coordonnées:
Email: info@alex.es
Téléphone: (+34) 974 035 345
Horaires d’ouverture:
Lundi au vendredi: 8-14h / 15-18h
Samedi et dimanche: Fermé
Responsable: Ruedas Alex, S.L.U, siendo la Finalidad: gestionar el contacto entre cualquier interesado y nuestros servicios de atención. La Legitimación: es gracias a tu consentimiento. Destinatarios: no se comunicarán los datos personales a ningún tercero. Podrás efercer Tus Derechos de Acceso, Rectificación, Supresión, Limitación, Oposición y Portabilidad en rgpd@alex.es. Para más información consulte la Política de Privacidad.

Restez informé de toutes les nouvelles, offres et promotions que nous avons préparés pour vous.