Fabricants depuis 1958
Ruedas Alex

SÉRIE ZV-PGZ 2-3233

Voir la comparaison
Code: 2-3233

Roulettes en caoutchouc gris injecté à noyau en polypropylène. Indiquées spécialement pour supporter des charges jusqu'à 180 kg.

Utilisées comme outils de transport et logistique, chariots transporteurs d'aliments, cuisines, cantines, Industrie alimentaire, supermarchés, machinerie légère, conteneurs à papier, cages de transport, roll-tainers, roll-pallets. Appliquées dans les secteurs industriels, Industrie alimentaire, pour machines du secteur de la construction.

Appliquées dans des projets d'ingénierie mécanique réalisés par des dessinateurs et des projeteurs.

PGZ: Ne laisse pas de traces. Déplacements faciles avec charge.

Composants

Montours

Fabrication en tôle d’acier emboutie jusqu’à 4 mm d’épaisseur.Finition galvanisée.Double roulement à billes.Modèle à usage universel pour charges moyennes.Fabrication conformément aux normes européennes EN 12530/12532.

Roue

Corps de roue en polypropylène et bande de roulement en caoutchouc gris injecté

Résistence Au Roulement Bien
Le bruit de roulement Trés Bien
Protection Du Sol Trés Bien

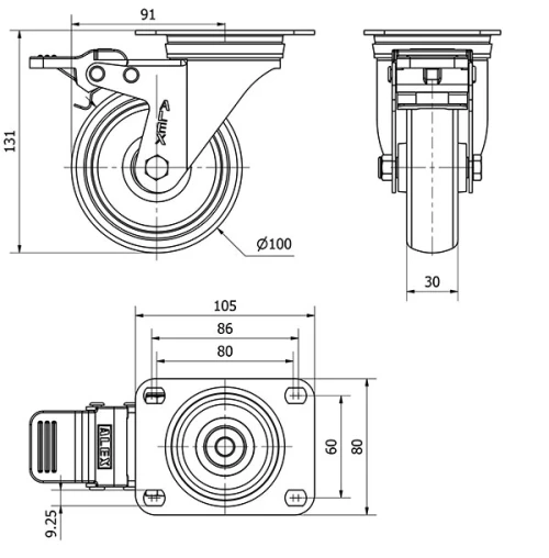
Données techniques 2-3233

EAN:
8422202232331
Type De Chape:
Pivotante
Type De Monture:
Platine
Type De Frein:
Frein Roue Et Support
Matériel:
Caoutchouc
Roulement:
Rouleaux
Diamètre (mm):
100
Largeur de la bande (mm):
30
Dimensions de la platine (mm):
105x80
Entre 'axe des trous de fixation (mm):
86/80x60
Diamètre du trou de fixation (mm):
8
Déport de la roulette (mm):
91
Hauteur totale (mm):
131
Charge:
100
Poids unitaire de la roue (kg):
0,672
:
L
Données techniques 2-3233

Espace privé

Regístrate
Télécharger en formats 3D
Télécharger en formats 2D
DWG
Télécharger le PDF
PDF
Prix
--

Produits similaires

Contact

Contactez-nous

Envoyez-nous le formulaire suivant et nous vous contacterons pour répondre à votre question.

Coordonnées:
Email: info@alex.es
Téléphone: (+34) 974 035 345
Horaires d’ouverture:
Lundi au vendredi: 8-14h / 15-18h
Samedi et dimanche: Fermé
Responsable: Ruedas Alex, S.L.U, siendo la Finalidad: gestionar el contacto entre cualquier interesado y nuestros servicios de atención. La Legitimación: es gracias a tu consentimiento. Destinatarios: no se comunicarán los datos personales a ningún tercero. Podrás efercer Tus Derechos de Acceso, Rectificación, Supresión, Limitación, Oposición y Portabilidad en rgpd@alex.es. Para más información consulte la Política de Privacidad.

Restez informé de toutes les nouvelles, offres et promotions que nous avons préparés pour vous.