Fabricants depuis 1958
Ruedas Alex

SÉRIE ZV-PGM 2-2740

Voir la comparaison
Code: 2-2740

Roulettes élastiques en caoutchouc bleu. indiquées spécialement pour supporter des charges jusqu'à 400 kg.

Utilisées comme outils de transport logistique, ateliers, chariots d'outillages, chariots tubulaires, logistique interne, usines pneumatiques, logistique interne, outils de transport, chariots de transporteurs d'aliments, cuisines, cantines, salles à manger, supermarchés, conteneurs, roll-tainers, roll-pallets, cages de transport, boîtes audio et son, gradins mobiles.

Appliquées dans des projets d'ingénierie mécanique réalisés par des dessinateurs et des projeteurs.

PGM: Ne laisse pas de traces. Forte absorption aux chocs et vibrations. Roulette douce et silencieuse. Élastiques.

Composants

Montours

Fabrication en tôle d’acier emboutie jusqu’à 4 mm d’épaisseur.Finition galvanisée.Double roulement à billes.Modèle à usage universel pour charges moyennes.Fabrication conformément aux normes européennes EN 12530/12532.

Roue

Corps de roue en polypropylène et bandage en caoutchouc bleu élastique
Plage de températures: -20º ÷ +70º
Résistence Au Roulement Satisfaisant
Le bruit de roulement Excellente
Protection Du Sol Excellente

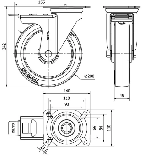
Données techniques 2-2740

EAN:
8422202227405
Type De Chape:
Pivotante
Type De Monture:
Platine
Type De Frein:
Frein Roue Et Support
Matériel:
Caoutchouc
Roulement:
Rouleaux
Diamètre (mm):
200
Largeur de la bande (mm):
45
Dimensions de la platine (mm):
140x110
Entre 'axe des trous de fixation (mm):
105x80
Diamètre du trou de fixation (mm):
10
Déport de la roulette (mm):
155
Hauteur totale (mm):
242
Charge:
400
Poids unitaire de la roue (kg):
2,86
Volume (cm3):
6442
Données techniques 2-2740

Espace privé

Regístrate
Télécharger en formats 3D
Télécharger en formats 2D
DWG
Télécharger le PDF
PDF
Prix
--

Produits similaires

Contact

Contactez-nous

Envoyez-nous le formulaire suivant et nous vous contacterons pour répondre à votre question.

Coordonnées:
Email: info@alex.es
Téléphone: (+34) 974 035 345
Horaires d’ouverture:
Lundi au vendredi: 8-14h / 15-18h
Samedi et dimanche: Fermé
Responsable: Ruedas Alex, S.L.U, siendo la Finalidad: gestionar el contacto entre cualquier interesado y nuestros servicios de atención. La Legitimación: es gracias a tu consentimiento. Destinatarios: no se comunicarán los datos personales a ningún tercero. Podrás efercer Tus Derechos de Acceso, Rectificación, Supresión, Limitación, Oposición y Portabilidad en rgpd@alex.es. Para más información consulte la Política de Privacidad.

Restez informé de toutes les nouvelles, offres et promotions que nous avons préparés pour vous.