Fabricants depuis 1958
Ruedas Alex

SÉRIE ZV-DE 2-1193

Voir la comparaison
Code: 2-1193

Roulettes à noyau en aluminium et bande en caoutchouc noir élastique avec une dureté 70º shore A. Indiquées spécialement pour supporter des charges jusqu'à 450 Kg.

Appliquées dans les secteurs industriels de forte et moyenne capacité de charge, outils de transport et logistique, ateliers, surfaces extérieures, chariots d'outillages, logistique interne, chariots tubulaires, gradins mobiles, plateformes élévatrices, missions de matériel de transport et logistique, outils de transport, restaurants, balayeuses, poulisseuses, grues mobiles, machinerie légère, chariots élévateurs, tables élévatrices, roll-palets, roll-tainers, conteneurs.

DE : Idéale pour le transfert manuel de charges moyennes. Silencieuse. Absorption aux chocs et vibrations. Protection maximale des sols et de l'équipement. Idéale pour surfaces irrégulières.

Composants

Montours

Fabrication en tôle d’acier emboutie jusqu’à 4 mm d’épaisseur. Finition galvanisée. Double roulement à billes. Modèle à usage universel pour charges moyennes. Fabrication conformément aux normes européennes EN 12530/12532.

Roue

Corps de roue en aluminium et bandage en caoutchouc plein élastique(70º Shore A)
Plage de températures: -20º ÷ +70º
Résistence Au Roulement Satisfaisant
Le bruit de roulement Excellente
Protection Du Sol Excellente

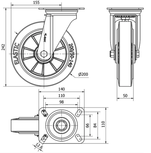
Données techniques 2-1193

EAN:
8422202211930
Type De Chape:
Pivotante
Type De Monture:
Platine
Type De Frein:
Sans Frein
Matériel:
Caoutchouc
Dureté du bandage:
70º SHORE A
Roulement:
Billes
Diamètre (mm):
200
Largeur de la bande (mm):
50
Dimensions de la platine (mm):
140x110
Entre 'axe des trous de fixation (mm):
105x80
Diamètre du trou de fixation (mm):
10
Déport de la roulette (mm):
155
Hauteur totale (mm):
242
Charge:
400
Poids unitaire de la roue (kg):
3,154
Volume (cm3):
5936
Données techniques 2-1193

Espace privé

Regístrate
Télécharger en formats 3D
Télécharger en formats 2D
DWG
Télécharger le PDF
PDF
Prix
--

Produits similaires

Contact

Contactez-nous

Envoyez-nous le formulaire suivant et nous vous contacterons pour répondre à votre question.

Coordonnées:
Email: info@alex.es
Téléphone: (+34) 974 035 345
Horaires d’ouverture:
Lundi au vendredi: 8-14h / 15-18h
Samedi et dimanche: Fermé
Responsable: Ruedas Alex, S.L.U, siendo la Finalidad: gestionar el contacto entre cualquier interesado y nuestros servicios de atención. La Legitimación: es gracias a tu consentimiento. Destinatarios: no se comunicarán los datos personales a ningún tercero. Podrás efercer Tus Derechos de Acceso, Rectificación, Supresión, Limitación, Oposición y Portabilidad en rgpd@alex.es. Para más información consulte la Política de Privacidad.

Restez informé de toutes les nouvelles, offres et promotions que nous avons préparés pour vous.