Fabricants depuis 1958
Ruedas Alex

SÉRIE ZV-AUAB 2-4814

Voir la comparaison
Code: 2-4814

Roues avec noyau en aluminium et bande en polyuréthane coulé d'une dureté de 95˚ Shore A. Pourvues d'une bande de roulement en forme de ballon, spécialement conçues pour résister à des fortes charges pouvant aller jusqu'à 400 kg. Elle est utilisée dans les outils de transport logistique, les ateliers, les chariots à outils, les chariots tubulaires, les usines pneumatiques, la logistique interne, les outils de transport, les plates-formes élévatrices, les chariots de transport, les échelles, les balayeuses, les polisseuses, les emballeuses, les convoyeurs, grues mobiles, chariots élévateurs à fourche, chaudronniers, ébénistes, menuiseries métalliques, fermes agricoles, tables élévatrices, industrie de la viande, conteneurs, centres sportifs. Principalement dans le secteur aéronautique, ferroviaire, automobile, agroalimentaire, ateliers, activités industrielles. Appliquées dans des projets d'ingénierie mécanique par des dessinateurs et des concepteurs.

AUAB: Manoeuvrabilité maximale. Absorption de choc élevée. Conditions de chaussée défavorables. Surfaces rugueuses, cassées, avec des copeaux de métal, des taches d'huile, des cristaux, des graisses, du gravier.

Moins d'effort de rotation et de déplacement.

Composants

Montours

Fabrication en tôle d’acier emboutie jusqu’à 4 mm d’épaisseur. Finition galvanisée. Double roulement à billes. Modèle à usage universel pour charges moyennes. Fabrication conformément aux normes européennes EN 12530/12532.

Roue

Résistence Au Roulement Excellente
Le bruit de roulement Bien
Protection Du Sol Bien

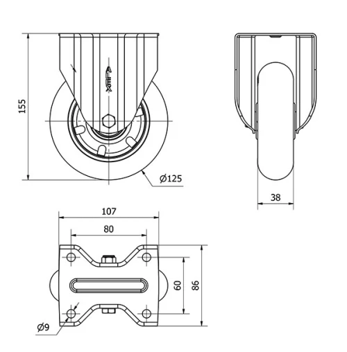
Données techniques 2-4814

EAN:
8422202248141
Type De Chape:
Fixe
Type De Monture:
Platine
Type De Frein:
Sans Frein
Matériel:
Polyuréthane
Dureté du bandage:
95º SHORE A
Roulement:
Billes
Diamètre (mm):
125
Largeur de la bande (mm):
40
Dimensions de la platine (mm):
107x86
Entre 'axe des trous de fixation (mm):
80x60
Diamètre du trou de fixation (mm):
8
Hauteur totale (mm):
155
Charge:
225
Données techniques 2-4814

Espace privé

Regístrate
Télécharger en formats 3D
Télécharger en formats 2D
DWG
Télécharger le PDF
PDF
Prix
--

Produits similaires

Contact

Contactez-nous

Envoyez-nous le formulaire suivant et nous vous contacterons pour répondre à votre question.

Coordonnées:
Email: info@alex.es
Téléphone: (+34) 974 035 345
Horaires d’ouverture:
Lundi au vendredi: 8-14h / 15-18h
Samedi et dimanche: Fermé
Responsable: Ruedas Alex, S.L.U, siendo la Finalidad: gestionar el contacto entre cualquier interesado y nuestros servicios de atención. La Legitimación: es gracias a tu consentimiento. Destinatarios: no se comunicarán los datos personales a ningún tercero. Podrás efercer Tus Derechos de Acceso, Rectificación, Supresión, Limitación, Oposición y Portabilidad en rgpd@alex.es. Para más información consulte la Política de Privacidad.

Restez informé de toutes les nouvelles, offres et promotions que nous avons préparés pour vous.