Fabricants depuis 1958
Ruedas Alex

SÉRIE 61-TA 4-1161

Voir la comparaison
Code: 4-1161

Roulettes en acier, indiquées spécialement pour supporter de fortes charges jusqu'à 680 kg.

Appliquées dans les outils de transport et logistique, ateliers, surfaces extérieures, logistique interne, chariots d'outillages, chariots tubulaires, logistique interne, chariots d'outillages, outils de transport, plateformes élévatrices, chariots de transport, échelles, balayeuses, polisseuses, machines d'emballage , bandes transporteuses, grues mobiles, chariots élévateurs, chaudronneries, menuiseries, menuiseries métalliques, fermes agricoles, tables élévatrices, Industrie de la viande, conteneurs.

 Utilisées principalement dans le secteur aéronautique, ferroviaire, automobile, alimentaire, ateliers, activités industrielles.

Appliquées dans des projets d'ingénierie mécanique réalisés par des dessinateurs et des projeteurs.

TA: Conditions de travail très sévères où l'existence d'objets tranchants, de produits chimiques ou de températures excessives détruiraient un autre type de roulettes. Forte capacité de charge.

Pour les températures supérieures à 200ºC, réduire la charge de 40%

Composants

Montours

Monture conçue pour les tâches difficiles.Tôle d’acier jusqu’à 4 mm d’épaisseur.Finition zinguée.La construction robuste de la monture offre une combinaison très efficace, une longue durée de vie et un excellente performance.Fabriqué conformément aux normes européennes EN 12532.

Roue

Roue monobloc en fonte
Plage de températures: -40º ÷ +300º
Résistence Au Roulement Excellente
Le bruit de roulement Suffisant
Protection Du Sol Suffisant

Données techniques 4-1161

EAN:
8422202411613
Type De Chape:
Pivotante
Type De Monture:
Platine
Type De Frein:
Sans Frein
Matériel:
Fonte
Roulement:
Lisse
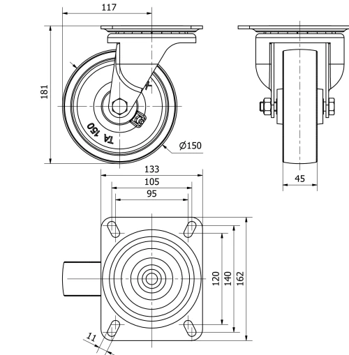
Diamètre (mm):
150
Largeur de la bande (mm):
45
Dimensions de la platine (mm):
162x133
Entre 'axe des trous de fixation (mm):
140x105/120x95
Diamètre du trou de fixation (mm):
10
Déport de la roulette (mm):
117
Hauteur totale (mm):
181
Charge:
680
Poids unitaire de la roue (kg):
4,828
Volume (cm3):
4766
Données techniques 4-1161

Espace privé

Regístrate
Télécharger en formats 3D
Télécharger en formats 2D
DWG
Télécharger le PDF
PDF
Prix
--

Produits similaires

Contact

Contactez-nous

Envoyez-nous le formulaire suivant et nous vous contacterons pour répondre à votre question.

Coordonnées:
Email: info@alex.es
Téléphone: (+34) 974 035 345
Horaires d’ouverture:
Lundi au vendredi: 8-14h / 15-18h
Samedi et dimanche: Fermé
Responsable: Ruedas Alex, S.L.U, siendo la Finalidad: gestionar el contacto entre cualquier interesado y nuestros servicios de atención. La Legitimación: es gracias a tu consentimiento. Destinatarios: no se comunicarán los datos personales a ningún tercero. Podrás efercer Tus Derechos de Acceso, Rectificación, Supresión, Limitación, Oposición y Portabilidad en rgpd@alex.es. Para más información consulte la Política de Privacidad.

Restez informé de toutes les nouvelles, offres et promotions que nous avons préparés pour vous.