Fabricants depuis 1958
Ruedas Alex

SÉRIE 61-PO 4-0266

Voir la comparaison
Code: 4-0266

Roulettes à noyau en nylon blanc et bande en polyuréthane injecté rouge de dureté 90-95º shore A. Indiquées spécialement pour supporter de fortes charges jusqu'à 450 kg.

Appliquées comme outils de transport et logistique, ateliers, surfaces extérieures, logistique interne, chariots d'outillages, chariots tubulaires, logistique interne, chariots d'outillages, outils de transport, conteneurss à déchets, plateformes élévatrices, chariots de transport, échelles, balayeuses, polisseuses, machines d 'emballage, bandes transporteuses, grues mobiles, chariots élévateurs, chaudronneries, menuiseries, menuiseries métalliques, fermes agricoles, tables élévatrices, Industrie de la viande, conteneurs.

Utilisées principalement dans le secteur aéronautique, ferroviaire, automobile, alimentaire, ateliers, activités industrielles.

Appliquées dans des projets d'ingénierie mécanique réalisés par des dessinateurs et des projeteurs.

PO: Fonctionnement élastique. Silencieuse-Offre une excellente protection des sols. Forte résistance à l'usure. Forte résistance aux traces d'huiles et de graisses. Propre et indéformable.

Composants

Montours

Monture conçue pour les tâches difficiles. Tôle d’acier jusqu’à 4 mm d’épaisseur. Finition zinguée. La construction robuste de la monture offre une combinaison très efficace, une longue durée de vie et un excellente performance. Fabriqué conformément aux normes européennes EN 12532.

Roue

Corps de roue en polyamide blanc et bandage en polyuréthane rouge (Shore A 95º)
Plage de températures: -25º ÷ +80º
Résistence Au Roulement Trés Bien
Le bruit de roulement Trés Bien
Protection Du Sol Trés Bien

Données techniques 4-0266

EAN:
8422202402666
Type De Chape:
Pivotante
Type De Monture:
Platine
Type De Frein:
Sans Frein
Matériel:
Polyuréthane
Dureté du bandage:
90-95º SHORE A
Roulement:
Lisse
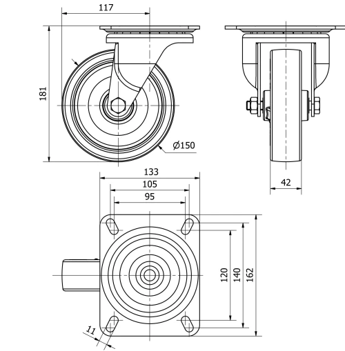
Diamètre (mm):
150
Largeur de la bande (mm):
42
Dimensions de la platine (mm):
162x133
Entre 'axe des trous de fixation (mm):
140x105/120x95
Diamètre du trou de fixation (mm):
10
Déport de la roulette (mm):
117
Hauteur totale (mm):
181
Charge:
450
Poids unitaire de la roue (kg):
2,291
Volume (cm3):
4766
Données techniques 4-0266

Espace privé

Regístrate
Télécharger en formats 3D
Télécharger en formats 2D
DWG
Télécharger le PDF
PDF
Prix
--

Produits similaires

Contact

Contactez-nous

Envoyez-nous le formulaire suivant et nous vous contacterons pour répondre à votre question.

Coordonnées:
Email: info@alex.es
Téléphone: (+34) 974 035 345
Horaires d’ouverture:
Lundi au vendredi: 8-14h / 15-18h
Samedi et dimanche: Fermé
Responsable: Ruedas Alex, S.L.U, siendo la Finalidad: gestionar el contacto entre cualquier interesado y nuestros servicios de atención. La Legitimación: es gracias a tu consentimiento. Destinatarios: no se comunicarán los datos personales a ningún tercero. Podrás efercer Tus Derechos de Acceso, Rectificación, Supresión, Limitación, Oposición y Portabilidad en rgpd@alex.es. Para más información consulte la Política de Privacidad.

Restez informé de toutes les nouvelles, offres et promotions que nous avons préparés pour vous.