Fabricants depuis 1958
Ruedas Alex

SÉRIE 61-HU 4-0275

Voir la comparaison
Code: 4-0275

Roulettes à noyau central en acier et bande en polyuréthane fondu avec une dureté de 95º shore A, indiquées spécialement pour supporter de fortes charges jusqu'à 680 kg.

Appliquées comme outils de transport et logistique, ateliers, espaces extérieurs, logistique interne, chariots d'outillages, chariots tubulaires, conteneurs de déchets, logistique interne, chariots d'outillage, outils de transport, plateformes élévatrices, chariots transporteurs, échelles, balayeuses, polisseuses, machines d 'emballage, bandes transporteuses, grues mobiles, chariots élévateurs, chaudronneries, menuiseries, menuiseries métalliques, fermes agricoles, tables élévatrices, Industrie de la viande, conteneurs.

Utilisées principalement dans le secteur aéronautique, ferroviaire, automobile, alimentaire, ateliers, activités industrielles.

Appliquées dans les projets d'ingénierie mécanique réalisés par des dessinateurs et des projeteurs.

HU: Forte absorption des chocs. Conditions de chaussées défavorables. Surfaces rugueuses, abîmées, avec des puces métalliques, des traces d'huiles, de morceaux de verre, des traces de graisses, du gravier.

Composants

Montours

Monture conçue pour les tâches difficiles. Tôle d’acier jusqu’à 4 mm d’épaisseur. Finition zinguée. La construction robuste de la monture offre une combinaison très efficace, une longue durée de vie et un excellente performance. Fabriqué conformément aux normes européennes EN 12532.

Roue

Résistence Au Roulement Trés Bien
Le bruit de roulement Bien
Protection Du Sol Trés Bien

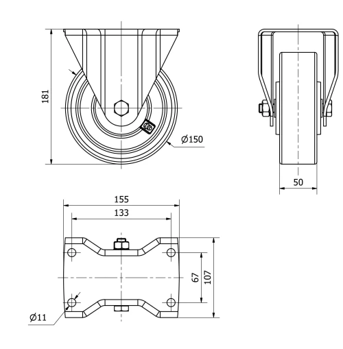
Données techniques 4-0275

EAN:
8422202402758
Type De Chape:
Fixe
Type De Monture:
Platine
Type De Frein:
Sans Frein
Matériel:
Polyuréthane
Dureté du bandage:
95º SHORE A
Roulement:
Billes
Diamètre (mm):
150
Largeur de la bande (mm):
50
Dimensions de la platine (mm):
155x107
Entre 'axe des trous de fixation (mm):
133x67
Diamètre du trou de fixation (mm):
10
Hauteur totale (mm):
181
Charge:
680
Poids unitaire de la roue (kg):
4,08
Volume (cm3):
3002
Données techniques 4-0275

Espace privé

Regístrate
Télécharger en formats 3D
Télécharger en formats 2D
DWG
Télécharger le PDF
PDF
Prix
--

Produits similaires

Contact

Contactez-nous

Envoyez-nous le formulaire suivant et nous vous contacterons pour répondre à votre question.

Coordonnées:
Email: info@alex.es
Téléphone: (+34) 974 035 345
Horaires d’ouverture:
Lundi au vendredi: 8-14h / 15-18h
Samedi et dimanche: Fermé
Responsable: Ruedas Alex, S.L.U, siendo la Finalidad: gestionar el contacto entre cualquier interesado y nuestros servicios de atención. La Legitimación: es gracias a tu consentimiento. Destinatarios: no se comunicarán los datos personales a ningún tercero. Podrás efercer Tus Derechos de Acceso, Rectificación, Supresión, Limitación, Oposición y Portabilidad en rgpd@alex.es. Para más información consulte la Política de Privacidad.

Restez informé de toutes les nouvelles, offres et promotions que nous avons préparés pour vous.