Fabricants depuis 1958
Ruedas Alex

SÉRIE 61-FT 4-0117

Voir la comparaison
Code: 4-0117

Roulette en nylon extrafort, indiquée spécialement pour supporter de fortes charges jusqu'à 650 kg.

Appliquées comme outils de transport logistique, ateliers, surfaces extérieures, logistique interne, chariots d'outillages, chariots tubulaires, conteneurs de déchets, logistique interne, chariots d'outillages, outils de transport, plateformes élévatrices, chariots transporteurs, échelles, balayeuses, polisseuses, machines d 'emballage, bandes transporteuses, grues mobiles, chariots élévateurs, chaudronneries, menuiseries, menuiseries métalliques, fermes agricoles, tables élévatrices, Industrie de la viande, conteneurs.

Utilisées principalement dans le secteur aéronautique, ferroviaire, automobile, alimentaire, ateliers, activités industrielles.

Appliquées dans des projets d'ingénierie mécanique réalisés par des dessinateurs et des projeteurs.

FT: Roulette indiquée spécialement pour des applications dans l'industrie alimentaire et chimique. Ne laissent pas de traces. Extraforte. Résistante aux chocs et aux coups.

Composants

Montours

Monture conçue pour les tâches difficiles.Tôle d’acier jusqu’à 4 mm d’épaisseur.Finition zinguée.La construction robuste de la monture offre une combinaison très efficace, une longue durée de vie et un excellente performance.Fabriqué conformément aux normes européennes EN 12532.

Roue

Roue en polyamide 6 blanc, renforcé
Plage de températures: -30º ÷ +80º
Résistence Au Roulement Excellente
Le bruit de roulement Satisfaisant
Protection Du Sol Satisfaisant

Données techniques 4-0117

EAN:
8422202401171
Type De Chape:
Fixe
Type De Monture:
Platine
Type De Frein:
Sans Frein
Matériel:
Polyamide 6
Roulement:
Billes
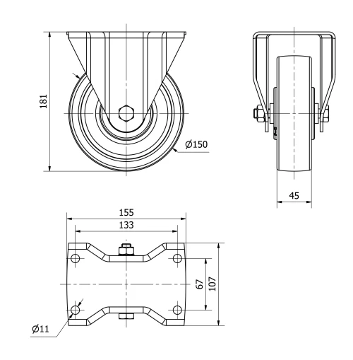
Diamètre (mm):
150
Largeur de la bande (mm):
45
Dimensions de la platine (mm):
155x107
Entre 'axe des trous de fixation (mm):
133x67
Diamètre du trou de fixation (mm):
10
Hauteur totale (mm):
181
Charge:
650
Poids unitaire de la roue (kg):
1,904
Volume (cm3):
3002
Données techniques 4-0117

Espace privé

Regístrate
Télécharger en formats 3D
Télécharger en formats 2D
DWG
Télécharger le PDF
PDF
Prix
--

Produits similaires

Contact

Contactez-nous

Envoyez-nous le formulaire suivant et nous vous contacterons pour répondre à votre question.

Coordonnées:
Email: info@alex.es
Téléphone: (+34) 974 035 345
Horaires d’ouverture:
Lundi au vendredi: 8-14h / 15-18h
Samedi et dimanche: Fermé
Responsable: Ruedas Alex, S.L.U, siendo la Finalidad: gestionar el contacto entre cualquier interesado y nuestros servicios de atención. La Legitimación: es gracias a tu consentimiento. Destinatarios: no se comunicarán los datos personales a ningún tercero. Podrás efercer Tus Derechos de Acceso, Rectificación, Supresión, Limitación, Oposición y Portabilidad en rgpd@alex.es. Para más información consulte la Política de Privacidad.

Restez informé de toutes les nouvelles, offres et promotions que nous avons préparés pour vous.