Fabricants depuis 1958
Ruedas Alex

SÉRIE ZVR-FT 2-3878

Voir la comparaison
Code: 2-3878

Roue en nylon extra-fort, spécialement indiquée pour supporter des charges élevées jusqu'à 700 kg.

Très utilisées pour les outils de logistiques internes, les ateliers, les chariots à outils, la logistique interne, les stands mobiles, les outils de transport, les plates-formes élévatrices, les centrales électriques, les chariots de transport, les missions de logistique. Principalement dans les secteurs industriels, aéronautique et automobile, alimentaire.

Appliquées dans les projets de génie mécanique par les dessinateurs et les concepteurs.

FT: Roues spécialement indiquées pour des applications dans l'industrie alimentaire et chimique. Ne tache pas le sol. Extra fort, avec une  excellente résistance aux chocs

Composants

Montours

Fabriquées en chape d’acier emboutie de 4 mm d’épaisseur. Double roulement à billes renforcé avec pistes de roulement trempées. Protection du pivot avec graisseur. Fabriquées selon les normes Européennes EN12532/12533

Roue

Roue en polyamide 6 blanc, renforcé
Plage de températures: -30º ÷ +80º
Résistence Au Roulement Excellente
Le bruit de roulement Satisfaisant
Protection Du Sol Satisfaisant

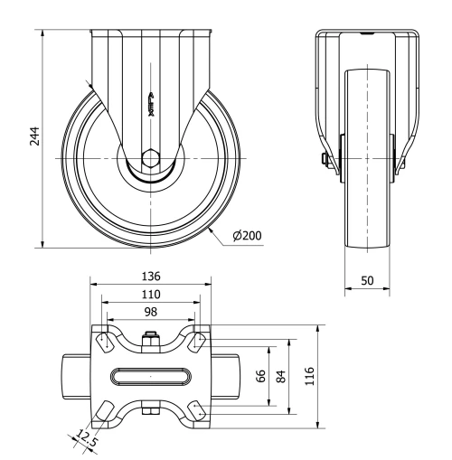
Données techniques 2-3878

EAN:
8422202238784
Type De Chape:
Fixe
Type De Monture:
Platine
Type De Frein:
Sans Frein
Matériel:
Polyamide 6
Roulement:
Lisse
Diamètre (mm):
200
Largeur de la bande (mm):
50
Dimensions de la platine (mm):
136x116
Entre 'axe des trous de fixation (mm):
105x80
Diamètre du trou de fixation (mm):
10
Hauteur totale (mm):
244
Charge:
700
Poids unitaire de la roue (kg):
2,31
Volume (cm3):
5660,8
Données techniques 2-3878

Espace privé

Regístrate
Télécharger en formats 3D
Télécharger en formats 2D
DWG
Télécharger le PDF
PDF
Prix
--

Produits similaires

Contact

Contactez-nous

Envoyez-nous le formulaire suivant et nous vous contacterons pour répondre à votre question.

Coordonnées:
Email: info@alex.es
Téléphone: (+34) 974 035 345
Horaires d’ouverture:
Lundi au vendredi: 8-14h / 15-18h
Samedi et dimanche: Fermé
Responsable: Ruedas Alex, S.L.U, siendo la Finalidad: gestionar el contacto entre cualquier interesado y nuestros servicios de atención. La Legitimación: es gracias a tu consentimiento. Destinatarios: no se comunicarán los datos personales a ningún tercero. Podrás efercer Tus Derechos de Acceso, Rectificación, Supresión, Limitación, Oposición y Portabilidad en rgpd@alex.es. Para más información consulte la Política de Privacidad.

Restez informé de toutes les nouvelles, offres et promotions que nous avons préparés pour vous.