Fabricants depuis 1958
Ruedas Alex

SÉRIE ZVR-AUB 2-3849

Voir la comparaison
Code: 2-3849

Roues avec moyeux en aluminium et bande de polyuréthane fondu d'une dureté Shore A de 95º. Particulièrement indiqué pour supporter des charges allant jusqu'à 700 kg.

Très utilisées pour les outils de transport logistique, conteneurs, transport industriel, chariots à outils, chariots mobiles, chariots, usines d'alimentation, missions de matériel logistique, balayeuses, polisseuses, machinerie lourde, grues mobiles, tables élévatrices, chaudières, conteneurs, planificateurs, dessinateurs , concepteurs, ingénierie mécanique.

Principalement dans l'aéronautique, ferroviaire, automobile, alimentaire, atelier, activités industrielles.

Appliqué dans les projets de génie mécanique par les dessinateurs et les concepteurs.

AUB: Polyuréthane à haute capacité de chargement. Excellente absorption des chocs.

Composants

Montours

Fabriquées en chape d’acier emboutie de 4 mm d’épaisseur. Double roulement à billes renforcé avec pistes de roulement trempées. Protection du pivot avec graisseur. Fabriquées selon les normes Européennes EN12532/12533

Roue

Corps de roue en aluminium et bandage en polyuréthane (95º Shore A)
Plage de températures: -20º ÷ +60º
Résistence Au Roulement Trés Bien
Le bruit de roulement Bien
Protection Du Sol Trés Bien

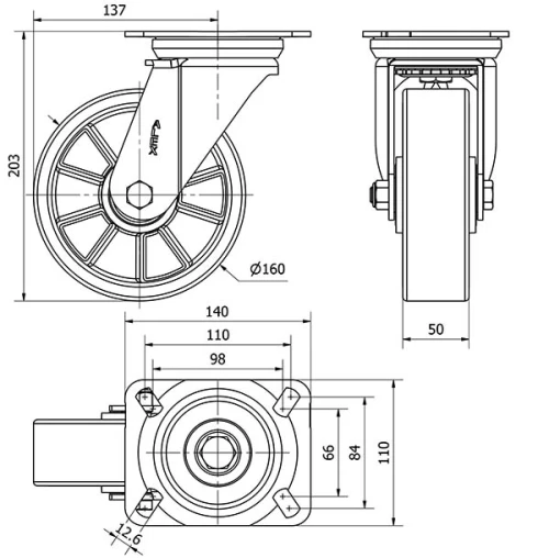
Données techniques 2-3849

EAN:
8422202238494
Type De Chape:
Pivotante
Type De Monture:
Platine
Type De Frein:
Sans Frein
Matériel:
Polyuréthane
Dureté du bandage:
95º SHORE A
Roulement:
Billes
Diamètre (mm):
160
Largeur de la bande (mm):
50
Dimensions de la platine (mm):
140x110
Entre 'axe des trous de fixation (mm):
105x80
Diamètre du trou de fixation (mm):
10
Déport de la roulette (mm):
137
Hauteur totale (mm):
203
Charge:
600
Poids unitaire de la roue (kg):
1,78
Volume (cm3):
4532,99
Données techniques 2-3849

Espace privé

Regístrate
Télécharger en formats 3D
Télécharger en formats 2D
DWG
Télécharger le PDF
PDF
Prix
--

Produits similaires

Contact

Contactez-nous

Envoyez-nous le formulaire suivant et nous vous contacterons pour répondre à votre question.

Coordonnées:
Email: info@alex.es
Téléphone: (+34) 974 035 345
Horaires d’ouverture:
Lundi au vendredi: 8-14h / 15-18h
Samedi et dimanche: Fermé
Responsable: Ruedas Alex, S.L.U, siendo la Finalidad: gestionar el contacto entre cualquier interesado y nuestros servicios de atención. La Legitimación: es gracias a tu consentimiento. Destinatarios: no se comunicarán los datos personales a ningún tercero. Podrás efercer Tus Derechos de Acceso, Rectificación, Supresión, Limitación, Oposición y Portabilidad en rgpd@alex.es. Para más información consulte la Política de Privacidad.

Restez informé de toutes les nouvelles, offres et promotions que nous avons préparés pour vous.