Fabricants depuis 1958
Ruedas Alex

SÉRIE SLR-VN 2-3996

Voir la comparaison
Code: 2-3996

Roulettes à noyau central en acier et bande de polyuréthane, indiquée spécialement pour supporter de fortes charges jusqu'à 1 000 kg.

Utilisées comme outils de transport et logistique, espaces extérieurs, carrosseries, logistique interne, gradins mobiles, plateformes élévatrices, missions de transport de matériel logistique, machinerie lourde, grues mobiles, tables élévatrices, chariots. Outillages, espaces industriels.

Appliquées dans des projets d'ingénierie mécanique réalisés par des dessinateurs et des projeteurs.

VN: Forte absorption aux chocs. Conditions de chaussées défavorables. Surfaces rugueuses, abîmées, avec copeaux métalliques, traces d'huiles, morceaux de verre,  de graisses, du gravier.

 

Composants

Montours

Fabriquée en chape d’acier soudée jusqu’à 8 mm d’épaisseur. Double tête pivotante, la supérieure avec des grandes billes d’acier et la tête inférieure de précision, ce qui facilite les mouvements giratoires, radiaux et axiaux. Modèle construit spécialment pour les grands chariots mécanisés, la manutention dans les usines et l’industrie métallurgique. Finition zinguée couleur blanche Fabriquées selon les normes européennes EN 12532

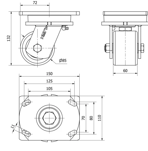
Données techniques 2-3996

EAN:
8422202239965
Type De Chape:
Pivotante
Type De Monture:
Platine
Type De Frein:
Sans Frein
Matériel:
Polyuréthane
Roulement:
Billes
Diamètre (mm):
85
Largeur de la bande (mm):
60
Dimensions de la platine (mm):
150x110
Entre 'axe des trous de fixation (mm):
125x70/105x80
Diamètre du trou de fixation (mm):
10
Déport de la roulette (mm):
72
Hauteur totale (mm):
132
Charge:
600
Données techniques 2-3996

Espace privé

Regístrate
Télécharger en formats 3D
Télécharger en formats 2D
DWG
Télécharger le PDF
PDF
Prix
--

Produits similaires

Contact

Contactez-nous

Envoyez-nous le formulaire suivant et nous vous contacterons pour répondre à votre question.

Coordonnées:
Email: info@alex.es
Téléphone: (+34) 974 035 345
Horaires d’ouverture:
Lundi au vendredi: 8-14h / 15-18h
Samedi et dimanche: Fermé
Responsable: Ruedas Alex, S.L.U, siendo la Finalidad: gestionar el contacto entre cualquier interesado y nuestros servicios de atención. La Legitimación: es gracias a tu consentimiento. Destinatarios: no se comunicarán los datos personales a ningún tercero. Podrás efercer Tus Derechos de Acceso, Rectificación, Supresión, Limitación, Oposición y Portabilidad en rgpd@alex.es. Para más información consulte la Política de Privacidad.

Restez informé de toutes les nouvelles, offres et promotions que nous avons préparés pour vous.