Fabricants depuis 1958
Ruedas Alex

SÉRIE TVC-PO 2-3711

Voir la comparaison
Code: 2-3711

Roulettes à noyau en nylon blanc et bande en polyuréthane rouge dureté 90-95º shore A.  Indiquées spécialement pour supporter de fortes charges jusqu'à 280 kg.

Utilisées comme outils de transport et logistique, surfaces extérieures, chariots d'outillages, logistique interne, chariots tubulaires, usines pneumatiques, gradins mobiles, outils de transport, plateformes élévatrices, Industrie alimentaire, chariots de transport, ateliers, transport d'outillages, machines d'emballage, bandes transporteuses.

Utilisées principalement dans le secteur aéronautique, ferroviaire, automobile et alimentaire.

Appliquées dans des projets d'ingénierie mécanique réalisés par des dessinateurs et des projeteurs.

PO: Silencieuse. Protection maximale des sols. Forte durabilité à l'usure. Résistante aux traces d'huiles, graisses et puces métalliques.

Composants

Montours

Fabrication en tôle d’acier ultra résistante. Finition zinguée ultra résistante à l’oxydation. Monture avec double roulement à billes. Fabrication conformément aux normes européennesEN 12532

Roue

Corps de roue en polyamide blanc et bandage en polyuréthane rouge (Shore A 95º)
Plage de températures: -25º ÷ +80º
Résistence Au Roulement Trés Bien
Le bruit de roulement Trés Bien
Protection Du Sol Trés Bien

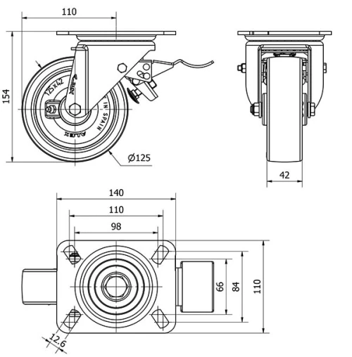
Données techniques 2-3711

EAN:
8422202237114
Type De Chape:
Pivotante
Type De Monture:
Platine
Type De Frein:
Frein Roue Et Support
Matériel:
Polyuréthane
Dureté du bandage:
90-95º SHORE A
Roulement:
Lisse
Diamètre (mm):
125
Largeur de la bande (mm):
42
Dimensions de la platine (mm):
139x110
Entre 'axe des trous de fixation (mm):
105x80
Diamètre du trou de fixation (mm):
10
Déport de la roulette (mm):
110
Hauteur totale (mm):
154
Charge:
300
Poids unitaire de la roue (kg):
1,72
Volume (cm3):
3761
Données techniques 2-3711

Espace privé

Regístrate
Télécharger en formats 3D
Télécharger en formats 2D
DWG
Télécharger le PDF
PDF
Prix
--

Produits similaires

Contact

Contactez-nous

Envoyez-nous le formulaire suivant et nous vous contacterons pour répondre à votre question.

Coordonnées:
Email: info@alex.es
Téléphone: (+34) 974 035 345
Horaires d’ouverture:
Lundi au vendredi: 8-14h / 15-18h
Samedi et dimanche: Fermé
Responsable: Ruedas Alex, S.L.U, siendo la Finalidad: gestionar el contacto entre cualquier interesado y nuestros servicios de atención. La Legitimación: es gracias a tu consentimiento. Destinatarios: no se comunicarán los datos personales a ningún tercero. Podrás efercer Tus Derechos de Acceso, Rectificación, Supresión, Limitación, Oposición y Portabilidad en rgpd@alex.es. Para más información consulte la Política de Privacidad.

Restez informé de toutes les nouvelles, offres et promotions que nous avons préparés pour vous.