Fabricants depuis 1958
Ruedas Alex

SÉRIE TV-TT 2-4985

Voir la comparaison
Code: 2-4985

Roulettes en résine, indiquées spécialement pour supporter des fortes températures jusqu'à 300º et des charges jusqu'à 125 kg.

S'utilisent dans les fours, pour machinerie légère. Principalement dans les secteurs industriels, aéronautique et automobile, alimentaire.

Appliquées dans les projets d'ingénierie mécanique réalisés par des dessinateurs et des projeteurs.

TT: Roulette en résine. Indiquées pour les secteurs industriels.

Supporte des températures jusqu'à +280ºC à intervalles de 30 minutes.

Composants

Montours

Fabrication en tôle d’acier emboutie jusqu’à 5 mm d’épaisseur. Finition bichromatée ultra résistante à l’oxydation. Double roulement à billes renforcé par des chemins de roulement durcis. Protection anti-poussière du roulement de la monture. Fabrication conformément à la norme européenne EN 12532.

Roue

Roue en résine phénolique jusqu´à 280 ºC en travail discontinu
Plage de températures: -30º ÷ +280º
Résistence Au Roulement Trés Bien
Le bruit de roulement Satisfaisant
Protection Du Sol Satisfaisant

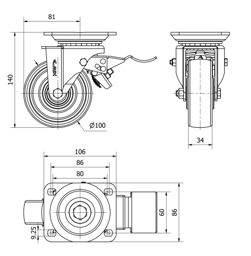
Données techniques 2-4985

EAN:
8422202249858
Type De Chape:
Pivotante
Type De Monture:
Platine
Type De Frein:
Frein Roue Et Support
Matériel:
Résine Phénolique
Roulement:
Billes
Couleur:
Noir
Diamètre (mm):
100
Largeur de la bande (mm):
34
Dimensions de la platine (mm):
106x86
Entre 'axe des trous de fixation (mm):
86/80x60
Diamètre du trou de fixation (mm):
8
Déport de la roulette (mm):
81
Hauteur totale (mm):
140
Charge:
125
Volume (cm3):
2336
Données techniques 2-4985

Espace privé

Regístrate
Télécharger en formats 3D
Télécharger en formats 2D
DWG
Télécharger le PDF
PDF
Prix
--

Produits similaires

Contact

Contactez-nous

Envoyez-nous le formulaire suivant et nous vous contacterons pour répondre à votre question.

Coordonnées:
Email: info@alex.es
Téléphone: (+34) 974 035 345
Horaires d’ouverture:
Lundi au vendredi: 8-14h / 15-18h
Samedi et dimanche: Fermé
Responsable: Ruedas Alex, S.L.U, siendo la Finalidad: gestionar el contacto entre cualquier interesado y nuestros servicios de atención. La Legitimación: es gracias a tu consentimiento. Destinatarios: no se comunicarán los datos personales a ningún tercero. Podrás efercer Tus Derechos de Acceso, Rectificación, Supresión, Limitación, Oposición y Portabilidad en rgpd@alex.es. Para más información consulte la Política de Privacidad.

Restez informé de toutes les nouvelles, offres et promotions que nous avons préparés pour vous.