Fabricants depuis 1958
Ruedas Alex

SÉRIE TV-PO 2-0966

Voir la comparaison
Code: 2-0966

Roulettes à noyau blanc et bande de polyuréthane rouge dureté 90-95º shore A. Recommandées spécialement pour supporter de fortes charges jusqu'à 600 Kg.

Sont utilisées pour trasnport et logistique, surfaces extérieures, chariots d'outillages, logistique interne, chariots tubulaires, usines pneumatiques, gradins mobiles, outils de transport, plateformes élévatrices, usines alimentaires, chariots de transport, ateliers, missions de transport et logistique, transport d'outils, échelles, balayeuses, poulisseuses, machines d'emballage, bandes transporteuses, machinerie lourde.

Utilisées spécialement dans le secteur aéronautique, ferroviaire et automobile, alimentaire.

Ce sont des roulettes appliquées dans des projets d'ingénierie mécanique réalisés par des dessinateurs et des projeteurs.

PO : Silencieuse. Offre grande protection des sols. Forte dureté. Résistante aux traces d'huiles, graisses et puces métalliques.

Composants

Montours

Fabrication en tôle d’acier emboutie jusqu’à 5 mm d’épaisseur. Finition bichromatée ultra résistante à l’oxydation. Double roulement à billes renforcé par des chemins de roulement durcis. Protection anti-poussière du roulement de la monture. Fabrication conformément à la norme européenne EN 12532.

Roue

Corps de roue en polyamide blanc et bandage en polyuréthane rouge (Shore A 95º)
Plage de températures: -25º ÷ +80º
Résistence Au Roulement Trés Bien
Le bruit de roulement Trés Bien
Protection Du Sol Trés Bien

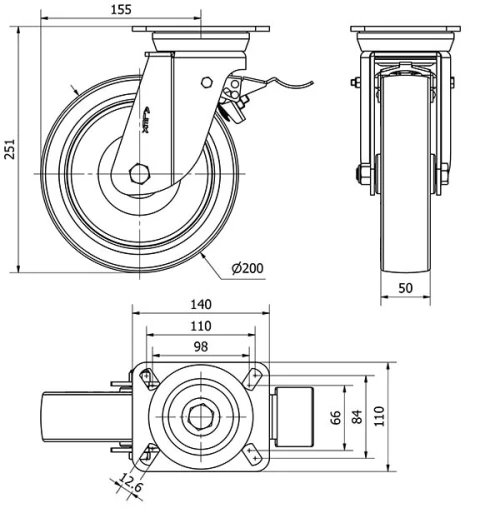
Données techniques 2-0966

EAN:
8422202209661
Type De Chape:
Pivotante
Type De Monture:
Platine
Type De Frein:
Frein Roue Et Support
Matériel:
Polyuréthane
Dureté du bandage:
90-95º SHORE A
Roulement:
Lisse
Diamètre (mm):
200
Largeur de la bande (mm):
50
Dimensions de la platine (mm):
139x110
Entre 'axe des trous de fixation (mm):
105x80
Diamètre du trou de fixation (mm):
10
Déport de la roulette (mm):
155
Hauteur totale (mm):
251
Charge:
600
Poids unitaire de la roue (kg):
3,64
Volume (cm3):
7372
Données techniques 2-0966

Espace privé

Regístrate
Télécharger en formats 3D
Télécharger en formats 2D
DWG
Télécharger le PDF
PDF
Prix
--

Produits similaires

Contact

Contactez-nous

Envoyez-nous le formulaire suivant et nous vous contacterons pour répondre à votre question.

Coordonnées:
Email: info@alex.es
Téléphone: (+34) 974 035 345
Horaires d’ouverture:
Lundi au vendredi: 8-14h / 15-18h
Samedi et dimanche: Fermé
Responsable: Ruedas Alex, S.L.U, siendo la Finalidad: gestionar el contacto entre cualquier interesado y nuestros servicios de atención. La Legitimación: es gracias a tu consentimiento. Destinatarios: no se comunicarán los datos personales a ningún tercero. Podrás efercer Tus Derechos de Acceso, Rectificación, Supresión, Limitación, Oposición y Portabilidad en rgpd@alex.es. Para más información consulte la Política de Privacidad.

Restez informé de toutes les nouvelles, offres et promotions que nous avons préparés pour vous.