Fabricants depuis 1958
Ruedas Alex

SÉRIE TV-HG 2-2049

Voir la comparaison
Code: 2-2049

Roulettes à noyau d'acier et bande en caoutchouc noir naturel, recommandées spécialement pour supporter de fortes charges jusqu'à 600 Kg.

Sont adaptées pour outils de transport et logistique, ateliers, logistique interne, plateformes élévatrices, balayeuses, poulisseuses. Chariots. Principalement dans les secteurs industriels, aéronautiques, ferroviaire et automobile.

Ce sont des roulettes appliquées dans des projets d'ingénierie mécanique réalisés par des dessinateurs et des projeteurs.

HG : Roulette utilisée spécialement pour traction mécanique (chariots élévateurs, remorques, etc...) et manuelle. Industrie en général, silencieuse. Protège les sols. 

Composants

Montours

Fabrication en tôle d’acier emboutie jusqu’à 5 mm d’épaisseur. Finition bichromatée ultra résistante à l’oxydation. Double roulement à billes renforcé par des chemins de roulement durcis. Protection anti-poussière du roulement de la monture. Fabrication conformément à la norme européenne EN 12532.

Roue

Corps de roue en fonte et bandage en caoutchouc avec graisseur
Plage de températures: -20º ÷ +60º
Résistence Au Roulement Satisfaisant
Le bruit de roulement Excellente
Protection Du Sol Excellente

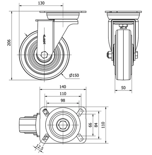
Données techniques 2-2049

EAN:
8422202220499
Type De Chape:
Pivotante
Type De Monture:
Platine
Type De Frein:
Sans Frein
Matériel:
Caoutchouc
Roulement:
Billes
Diamètre (mm):
150
Largeur de la bande (mm):
50
Dimensions de la platine (mm):
139x110
Entre 'axe des trous de fixation (mm):
105x80
Diamètre du trou de fixation (mm):
10
Déport de la roulette (mm):
130
Hauteur totale (mm):
206
Charge:
400
Poids unitaire de la roue (kg):
4,44
Volume (cm3):
4188
Données techniques 2-2049

Espace privé

Regístrate
Télécharger en formats 3D
Télécharger en formats 2D
DWG
Télécharger le PDF
PDF
Prix
--

Produits similaires

Contact

Contactez-nous

Envoyez-nous le formulaire suivant et nous vous contacterons pour répondre à votre question.

Coordonnées:
Email: info@alex.es
Téléphone: (+34) 974 035 345
Horaires d’ouverture:
Lundi au vendredi: 8-14h / 15-18h
Samedi et dimanche: Fermé
Responsable: Ruedas Alex, S.L.U, siendo la Finalidad: gestionar el contacto entre cualquier interesado y nuestros servicios de atención. La Legitimación: es gracias a tu consentimiento. Destinatarios: no se comunicarán los datos personales a ningún tercero. Podrás efercer Tus Derechos de Acceso, Rectificación, Supresión, Limitación, Oposición y Portabilidad en rgpd@alex.es. Para más información consulte la Política de Privacidad.

Restez informé de toutes les nouvelles, offres et promotions que nous avons préparés pour vous.