Fabricants depuis 1958
Ruedas Alex

SÉRIE TV-FT 2-1807

Voir la comparaison
Code: 2-1807

Roulettes en nylon extrafort, recommandées spécialement pour supporter de fortes charges jusqu'à 800 Kg.

S'utilisent pour logistique interne, ateliers, chariots pour transporter des outils, logistique interne, gradins mobiles, outils de transport, plateformes élévatrices, Industrie alimentaire, chariots de transport, missions de transport et logistique de matériel, échelles, machines d'emballage, bandes transporteuses, machinerie légère pour le secteur de la construction, tables élévatrices, chaudronneries, menuiseries, serrureries, menuiseries métalliques, fermes agricoles, Industrie de la viande, textiles, centres sportifs. Principalement, dans les secteurs industriels, aéronautique et automobile, alimentaire, textiles, agricoles.

Ce sont des roulettes appliquées dans des projets d'ingénierie mécanique réalisés par des dessinateurs et des projeteurs.

FT : Roulettes indiquées spécialement pour applications dans les Industries alimentaire et chimique. Ne laisse pas de traces. Extraforte. Forte resistance aux chocs et coups.

Composants

Montours

Fabrication en tôle d’acier emboutie jusqu’à 5 mm d’épaisseur. Finition bichromatée ultra résistante à l’oxydation. Double roulement à billes renforcé par des chemins de roulement durcis. Protection anti-poussière du roulement de la monture. Fabrication conformément à la norme européenne EN 12532.

Roue

Roue en polyamide 6 blanc, renforcé
Plage de températures: -30º ÷ +80º
Résistence Au Roulement Excellente
Le bruit de roulement Satisfaisant
Protection Du Sol Satisfaisant

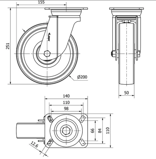
Données techniques 2-1807

EAN:
8422202218076
Type De Chape:
Pivotante
Type De Monture:
Platine
Type De Frein:
Sans Frein
Matériel:
Polyamide 6
Roulement:
Billes
Diamètre (mm):
200
Largeur de la bande (mm):
50
Dimensions de la platine (mm):
139x110
Entre 'axe des trous de fixation (mm):
105x80
Diamètre du trou de fixation (mm):
10
Déport de la roulette (mm):
155
Hauteur totale (mm):
251
Charge:
800
Poids unitaire de la roue (kg):
3,31
Volume (cm3):
6198
Données techniques 2-1807

Espace privé

Regístrate
Télécharger en formats 3D
Télécharger en formats 2D
DWG
Télécharger le PDF
PDF
Prix
--

Produits similaires

Contact

Contactez-nous

Envoyez-nous le formulaire suivant et nous vous contacterons pour répondre à votre question.

Coordonnées:
Email: info@alex.es
Téléphone: (+34) 974 035 345
Horaires d’ouverture:
Lundi au vendredi: 8-14h / 15-18h
Samedi et dimanche: Fermé
Responsable: Ruedas Alex, S.L.U, siendo la Finalidad: gestionar el contacto entre cualquier interesado y nuestros servicios de atención. La Legitimación: es gracias a tu consentimiento. Destinatarios: no se comunicarán los datos personales a ningún tercero. Podrás efercer Tus Derechos de Acceso, Rectificación, Supresión, Limitación, Oposición y Portabilidad en rgpd@alex.es. Para más información consulte la Política de Privacidad.

Restez informé de toutes les nouvelles, offres et promotions que nous avons préparés pour vous.