Fabricants depuis 1958
Ruedas Alex

SÉRIE SLR-PO 2-3650

Voir la comparaison
Code: 2-3650

Roulettes à  noyau en nylon blanc et bande de polyuréthane rouge dureté  90-95º shore A. Indiquées spécialement pour supporter de fortes charges jusqu'à 600 kg.

Utilisées comme outils de transport et logistique, surfaces extérieures, logistique interne, carrosseries, gradins mobiles, plateformes élévatrices, missions de transport de matériel et logistique, machinerie lourde,  grues mobiles, tables élévatrices, chaudronneries.

Utilisées principalement dans le secteur aéronautique, ferroviaire et automobile.

Appliquées dans des projets d'ingénierie mécanique réalisés par des dessinateurs et des projeteurs.

PO : Silencieuse. Protection maximale des sols. Forte dureté à l'usure. Forte résistance aux traces d'huiles, de graisses et puces métalliques.

Composants

Montours

Fabriquée en chape d’acier soudée jusqu’à 8 mm d’épaisseur. Double tête pivotante, la supérieure avec des grandes billes d’acier et la tête inférieure de précision, ce qui facilite les mouvements giratoires, radiaux et axiaux. Modèle construit spécialment pour les grands chariots mécanisés, la manutention dans les usines et l’industrie métallurgique. Finition zinguée couleur blanche Fabriquées selon les normes européennes EN 12532

Roue

Corps de roue en polyamide blanc et bandage en polyuréthane rouge (Shore A 95º)
Plage de températures: -25º ÷ +80º
Résistence Au Roulement Trés Bien
Le bruit de roulement Trés Bien
Protection Du Sol Trés Bien

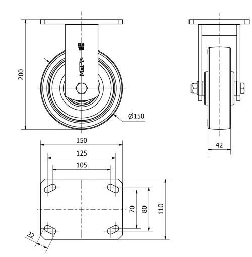
Données techniques 2-3650

EAN:
8422202236506
Type De Chape:
Fixe
Type De Monture:
Platine
Type De Frein:
Sans Frein
Matériel:
Polyuréthane
Dureté du bandage:
90-95º SHORE A
Roulement:
Billes
Diamètre (mm):
150
Largeur de la bande (mm):
42
Dimensions de la platine (mm):
150x110
Entre 'axe des trous de fixation (mm):
125x70/105x80
Diamètre du trou de fixation (mm):
10
Hauteur totale (mm):
200
Charge:
450
Poids unitaire de la roue (kg):
2,845
Volume (cm3):
3300
Données techniques 2-3650

Espace privé

Regístrate
Télécharger en formats 3D
Télécharger en formats 2D
DWG
Télécharger le PDF
PDF
Prix
--

Produits similaires

Contact

Contactez-nous

Envoyez-nous le formulaire suivant et nous vous contacterons pour répondre à votre question.

Coordonnées:
Email: info@alex.es
Téléphone: (+34) 974 035 345
Horaires d’ouverture:
Lundi au vendredi: 8-14h / 15-18h
Samedi et dimanche: Fermé
Responsable: Ruedas Alex, S.L.U, siendo la Finalidad: gestionar el contacto entre cualquier interesado y nuestros servicios de atención. La Legitimación: es gracias a tu consentimiento. Destinatarios: no se comunicarán los datos personales a ningún tercero. Podrás efercer Tus Derechos de Acceso, Rectificación, Supresión, Limitación, Oposición y Portabilidad en rgpd@alex.es. Para más información consulte la Política de Privacidad.

Restez informé de toutes les nouvelles, offres et promotions que nous avons préparés pour vous.