Fabricants depuis 1958
Ruedas Alex

SÉRIE SLR-HUAB 2-3728

Voir la comparaison
Code: 2-3728

Roues avec un noyau en acier et une bande en forme de ballon en polyuréthane fondu d'une dureté de 95 ° Shore A, particulièrement appropriées pour supporter des charges élevées jusqu'à 800 kg.

Il est appliqué dans les outils de transport logistique, les espaces extérieurs, les carrossiers, la logistique interne, les stands mobiles, les plates-formes élévatrices, les missions de logistique des matériaux, la machinerie lourde, les grues mobiles, les tables élévatrices, les voitures. Outils, zones industrielles. Appliqué dans des projets d'ingénierie mécanique par des dessinateurs et des concepteurs.

HUAB: Roue à bande de roulement en forme de ballon. Maniabilité maximale Moins d'effort pour tourner et changer. Absorption de choc élevée. Conditions de chaussée défavorables. Surfaces rugueuses et cassées, avec des copeaux de métal, des taches d'huile, des cristaux, de la graisse, du gravier.

Composants

Montours

Fabriquée en chape d’acier soudée jusqu’à 8 mm d’épaisseur. Double tête pivotante, la supérieure avec des grandes billes d’acier et la tête inférieure de précision, ce qui facilite les mouvements giratoires, radiaux et axiaux. Modèle construit spécialment pour les grands chariots mécanisés, la manutention dans les usines et l’industrie métallurgique. Finition zinguée couleur blanche Fabriquées selon les normes européennes EN 12532.

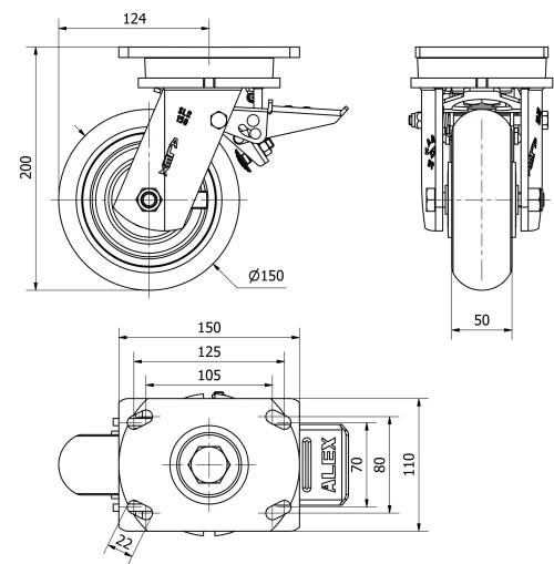
Données techniques 2-3728

EAN:
8422202237282
Type De Chape:
Pivotante
Type De Monture:
Platine
Type De Frein:
Frein Roue Et Support
Matériel:
Polyuréthane
Dureté du bandage:
95º SHORE A
Roulement:
Billes
Diamètre (mm):
150
Largeur de la bande (mm):
50
Dimensions de la platine (mm):
150x110
Entre 'axe des trous de fixation (mm):
125x70/105x80
Diamètre du trou de fixation (mm):
10
Déport de la roulette (mm):
124
Hauteur totale (mm):
200
Charge:
600
Données techniques 2-3728

Espace privé

Regístrate
Télécharger en formats 3D
Télécharger en formats 2D
DWG
Télécharger le PDF
PDF
Prix
--

Produits similaires

Contact

Contactez-nous

Envoyez-nous le formulaire suivant et nous vous contacterons pour répondre à votre question.

Coordonnées:
Email: info@alex.es
Téléphone: (+34) 974 035 345
Horaires d’ouverture:
Lundi au vendredi: 8-14h / 15-18h
Samedi et dimanche: Fermé
Responsable: Ruedas Alex, S.L.U, siendo la Finalidad: gestionar el contacto entre cualquier interesado y nuestros servicios de atención. La Legitimación: es gracias a tu consentimiento. Destinatarios: no se comunicarán los datos personales a ningún tercero. Podrás efercer Tus Derechos de Acceso, Rectificación, Supresión, Limitación, Oposición y Portabilidad en rgpd@alex.es. Para más información consulte la Política de Privacidad.

Restez informé de toutes les nouvelles, offres et promotions que nous avons préparés pour vous.