Fabricants depuis 1958
Ruedas Alex

SÉRIE SLR-HU 2-3663

Voir la comparaison
Code: 2-3663

Roulettes à noyau central en acier et bande de polyuréthane coulée avec une dureté 95º shore A, indiquée spécialement pour supporter de fortes charges jusqu'à 1 000 kg.

Utilisées comme outils de transport et logistique, espaces extérieurs, carrosseries, logistique interne, gradins mobiles, plateformes élévatrices, missions de transport de matériel logistique, machinerie lourde, grues mobiles, tables élévatrices, chariots. Outillages, espaces industriels.

Appliquées dans des projets d'ingénierie mécanique réalisés par des dessinateurs et des projeteurs.

HU: Forte absorption aux chocs. Conditions de chaussées défavorables. Surfaces rugueuses, abîmées, avec des puces métalliques, traces d'huiles, morceaux de verre,  de graisses, du gravier.

Composants

Montours

Fabriquée en chape d’acier soudée jusqu’à 8 mm d’épaisseur. Double tête pivotante, la supérieure avec des grandes billes d’acier et la tête inférieure de précision, ce qui facilite les mouvements giratoires, radiaux et axiaux. Modèle construit spécialment pour les grands chariots mécanisés, la manutention dans les usines et l’industrie métallurgique. Finition zinguée couleur blanche Fabriquées selon les normes européennes EN 12532

Roue

Résistence Au Roulement Trés Bien
Le bruit de roulement Bien
Protection Du Sol Trés Bien

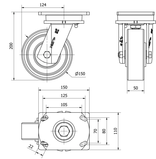
Données techniques 2-3663

EAN:
8422202236636
Type De Chape:
Pivotante
Type De Monture:
Platine
Type De Frein:
Sans Frein
Matériel:
Polyuréthane
Dureté du bandage:
95º SHORE A
Roulement:
Billes
Diamètre (mm):
150
Largeur de la bande (mm):
50
Dimensions de la platine (mm):
150x110
Entre 'axe des trous de fixation (mm):
125x70/105x80
Diamètre du trou de fixation (mm):
10
Déport de la roulette (mm):
124
Hauteur totale (mm):
200
Charge:
800
Poids unitaire de la roue (kg):
5,74
Volume (cm3):
4378
Données techniques 2-3663

Espace privé

Regístrate
Télécharger en formats 3D
Télécharger en formats 2D
DWG
Télécharger le PDF
PDF
Prix
--

Produits similaires

Contact

Contactez-nous

Envoyez-nous le formulaire suivant et nous vous contacterons pour répondre à votre question.

Coordonnées:
Email: info@alex.es
Téléphone: (+34) 974 035 345
Horaires d’ouverture:
Lundi au vendredi: 8-14h / 15-18h
Samedi et dimanche: Fermé
Responsable: Ruedas Alex, S.L.U, siendo la Finalidad: gestionar el contacto entre cualquier interesado y nuestros servicios de atención. La Legitimación: es gracias a tu consentimiento. Destinatarios: no se comunicarán los datos personales a ningún tercero. Podrás efercer Tus Derechos de Acceso, Rectificación, Supresión, Limitación, Oposición y Portabilidad en rgpd@alex.es. Para más información consulte la Política de Privacidad.

Restez informé de toutes les nouvelles, offres et promotions que nous avons préparés pour vous.