Fabricants depuis 1958
Ruedas Alex

SÉRIE SLR-HG 2-3641

Voir la comparaison
Code: 2-3641

Roulettes à noyau central en acier et bande en caoutchouc noir naturel, indiquées spécialement pour supporter de fortes charges jusqu'à 600 kg.

Appliquées comme outils de transport et logistique, ateliers, espaces extérieurs, carrosseries, gradins mobiles, logistique interne, plateformes élévatrices, chariots de transport, missions de transport de matériel et transport, machinerie lourde dans le secteur de la construction, grues mobiles, chaudronneries. Utilisées principalement dans les secteurs industriels, aéronautiques, ferroviaires et automobiles.

Appliquées dans des projets d'ingénierie mécanique réalisés par des dessinateurs et des projeteurs.

HG: roulette appropriée à traction mécanique (chariots élévateurs, remorques etc...) et manuelle. Industrie en général. Forte protection des sols.

Composants

Montours

Fabriquée en chape d’acier soudée jusqu’à 8 mm d’épaisseur. Double tête pivotante, la supérieure avec des grandes billes d’acier et la tête inférieure de précision, ce qui facilite les mouvements giratoires, radiaux et axiaux. Modèle construit spécialment pour les grands chariots mécanisés, la manutention dans les usines et l’industrie métallurgique. Finition zinguée couleur blanche Fabriquées selon les normes européennes EN 12532

Roue

Corps de roue en fonte et bandage en caoutchouc avec graisseur
Plage de températures: -20º ÷ +60º
Résistence Au Roulement Satisfaisant
Le bruit de roulement Excellente
Protection Du Sol Excellente

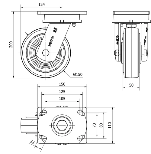
Données techniques 2-3641

EAN:
8422202236414
Type De Chape:
Pivotante
Type De Monture:
Platine
Type De Frein:
Sans Frein
Matériel:
Caoutchouc
Roulement:
Billes
Diamètre (mm):
150
Largeur de la bande (mm):
50
Dimensions de la platine (mm):
150x110
Entre 'axe des trous de fixation (mm):
125x70/105x80
Diamètre du trou de fixation (mm):
10
Déport de la roulette (mm):
124
Hauteur totale (mm):
200
Charge:
400
Poids unitaire de la roue (kg):
5,72
Volume (cm3):
4378
Données techniques 2-3641

Espace privé

Regístrate
Télécharger en formats 3D
Télécharger en formats 2D
DWG
Télécharger le PDF
PDF
Prix
--

Produits similaires

Contact

Contactez-nous

Envoyez-nous le formulaire suivant et nous vous contacterons pour répondre à votre question.

Coordonnées:
Email: info@alex.es
Téléphone: (+34) 974 035 345
Horaires d’ouverture:
Lundi au vendredi: 8-14h / 15-18h
Samedi et dimanche: Fermé
Responsable: Ruedas Alex, S.L.U, siendo la Finalidad: gestionar el contacto entre cualquier interesado y nuestros servicios de atención. La Legitimación: es gracias a tu consentimiento. Destinatarios: no se comunicarán los datos personales a ningún tercero. Podrás efercer Tus Derechos de Acceso, Rectificación, Supresión, Limitación, Oposición y Portabilidad en rgpd@alex.es. Para más información consulte la Política de Privacidad.

Restez informé de toutes les nouvelles, offres et promotions que nous avons préparés pour vous.