Fabricants depuis 1958
Ruedas Alex

SÉRIE SL-PO 4-1611

Voir la comparaison
Code: 4-1611

Roulettes à noyau central en nylon et bande de polyuréthane rouge dureté 90-95º shore A. Recommandées spécialement pour supporter des poids lourds jusqu'à 600 Kg.

Sont adaptées pour transport et logistique, surfaces extérieuers, logistique interne, carrosseries, gradins mobiles, plateformes élévatrices, missions logistique matériel, machinerie lourde, grues mobiles, tables élévatrices, chaudronneries.

Principalement, dans les secteurs de l'aéronautique, ferroviaire et automobile.

Ce sont des roulettes appliquées dans des projets d'ingénierie mécanique réalisés par des dessinateurs et des projeteurs.

PO : Fonctionnement élastique. Silencieuse. Offre une grande protection des sols. Forte résistance à l'usure. Résistante aux huiles, graisses et puces métalliques.

Composants

Montours

Fabrication en acier soudé jusqu’à 6 mm d’épaisseur. Finition bichromatée très résistante. Système de pivotement avec roulement à deux rangée de billes en acier sur chemins durcis. Fabrication conformément à la norme européenne EN 12532.

Roue

Corps de roue en polyamide blanc et bandage en polyuréthane rouge (Shore A 95º)
Plage de températures: -25º ÷ +80º
Résistence Au Roulement Trés Bien
Le bruit de roulement Trés Bien
Protection Du Sol Trés Bien

Données techniques 4-1611

EAN:
8422202416113
Type De Chape:
Pivotante
Type De Monture:
Platine
Type De Frein:
Frein De Roue
Matériel:
Polyuréthane
Dureté du bandage:
90-95º SHORE A
Roulement:
Lisse
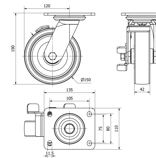
Diamètre (mm):
150
Largeur de la bande (mm):
42
Dimensions de la platine (mm):
135x110
Entre 'axe des trous de fixation (mm):
105x80
Diamètre du trou de fixation (mm):
10
Déport de la roulette (mm):
120
Hauteur totale (mm):
190
Charge:
450
Poids unitaire de la roue (kg):
2,58
Volume (cm3):
3919
Données techniques 4-1611

Espace privé

Regístrate
Télécharger en formats 3D
Télécharger en formats 2D
DWG
Télécharger le PDF
PDF
Prix
--

Produits similaires

Contact

Contactez-nous

Envoyez-nous le formulaire suivant et nous vous contacterons pour répondre à votre question.

Coordonnées:
Email: info@alex.es
Téléphone: (+34) 974 035 345
Horaires d’ouverture:
Lundi au vendredi: 8-14h / 15-18h
Samedi et dimanche: Fermé
Responsable: Ruedas Alex, S.L.U, siendo la Finalidad: gestionar el contacto entre cualquier interesado y nuestros servicios de atención. La Legitimación: es gracias a tu consentimiento. Destinatarios: no se comunicarán los datos personales a ningún tercero. Podrás efercer Tus Derechos de Acceso, Rectificación, Supresión, Limitación, Oposición y Portabilidad en rgpd@alex.es. Para más información consulte la Política de Privacidad.

Restez informé de toutes les nouvelles, offres et promotions que nous avons préparés pour vous.