Fabricants depuis 1958
Ruedas Alex

SÉRIE SL-HU 4-1217

Voir la comparaison
Code: 4-1217

Roulettes à noyau central en acier et bande de polyuréthane fondu avec dureté de 95º shore A, spécialement recommandées pour supporter des poids lourds jusqu'à 600 Kg.

Sont recommandées pour transport et logistique, surfaces extérieures, carrosseries, logistique interne, gradins mobiles, plateformes élévatrices, mission de matériel et logistique, machinerie lourde, grues mobiles, tables élévatrices chariots, outillages, espaces industriels. Ce sont des roulettes appliquées dans des projets d'ingénierie mécanique réalisés par des dessinateurs et des projeteurs.

HU : Fort amortissement aux coups. Conditions de sols défavorables. Surfaces rugueuses, abîmées, avec puces métalliques, traces d'huiles, de morceaux de verre, des traces de graisses, du gravier.

Composants

Montours

Fabrication en acier soudé jusqu’à 6 mm d’épaisseur. Finition bichromatée très résistante. Système de pivotement avec roulement à deux rangée de billes en acier sur chemins durcis. Fabrication conformément à la norme européenne EN 12532.

Roue

Résistence Au Roulement Trés Bien
Le bruit de roulement Bien
Protection Du Sol Trés Bien

Données techniques 4-1217

EAN:
8422202412177
Type De Chape:
Pivotante
Type De Monture:
Platine
Type De Frein:
Frein De Roue
Matériel:
Polyuréthane
Dureté du bandage:
95º SHORE A
Roulement:
Billes
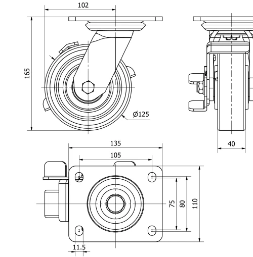
Diamètre (mm):
125
Largeur de la bande (mm):
40
Dimensions de la platine (mm):
135x110
Entre 'axe des trous de fixation (mm):
105x80
Diamètre du trou de fixation (mm):
10
Déport de la roulette (mm):
102
Hauteur totale (mm):
165
Charge:
400
Poids unitaire de la roue (kg):
3,574
Volume (cm3):
1225
Données techniques 4-1217

Espace privé

Regístrate
Télécharger en formats 3D
Télécharger en formats 2D
DWG
Télécharger le PDF
PDF
Prix
--

Produits similaires

Contact

Contactez-nous

Envoyez-nous le formulaire suivant et nous vous contacterons pour répondre à votre question.

Coordonnées:
Email: info@alex.es
Téléphone: (+34) 974 035 345
Horaires d’ouverture:
Lundi au vendredi: 8-14h / 15-18h
Samedi et dimanche: Fermé
Responsable: Ruedas Alex, S.L.U, siendo la Finalidad: gestionar el contacto entre cualquier interesado y nuestros servicios de atención. La Legitimación: es gracias a tu consentimiento. Destinatarios: no se comunicarán los datos personales a ningún tercero. Podrás efercer Tus Derechos de Acceso, Rectificación, Supresión, Limitación, Oposición y Portabilidad en rgpd@alex.es. Para más información consulte la Política de Privacidad.

Restez informé de toutes les nouvelles, offres et promotions que nous avons préparés pour vous.