Fabricants depuis 1958
Ruedas Alex

SÉRIE SL-HU 4-0803

Voir la comparaison
Code: 4-0803

Roulettes à noyau central en acier et bande de polyuréthane fondu avec dureté de 95º shore A, spécialement recommandées pour supporter des poids lourds jusqu'à 600 Kg.

Sont recommandées pour transport et logistique, surfaces extérieures, carrosseries, logistique interne, gradins mobiles, plateformes élévatrices, mission de matériel et logistique, machinerie lourde, grues mobiles, tables élévatrices chariots, outillages, espaces industriels. Ce sont des roulettes appliquées dans des projets d'ingénierie mécanique réalisés par des dessinateurs et des projeteurs.

HU : Fort amortissement aux coups. Conditions de sols défavorables. Surfaces rugueuses, abîmées, avec puces métalliques, traces d'huiles, de morceaux de verre, des traces de graisses, du gravier.

Composants

Montours

Fabrication en acier soudé jusqu’à 6 mm d’épaisseur. Finition bichromatée très résistante. Système de pivotement avec roulement à deux rangée de billes en acier sur chemins durcis. Fabrication conformément à la norme européenne EN 12532.

Roue

Résistence Au Roulement Trés Bien
Le bruit de roulement Bien
Protection Du Sol Trés Bien

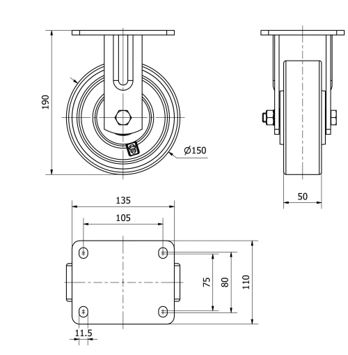
Données techniques 4-0803

EAN:
8422202408033
Type De Chape:
Fixe
Type De Monture:
Platine
Type De Frein:
Sans Frein
Matériel:
Polyuréthane
Dureté du bandage:
95º SHORE A
Roulement:
Billes
Diamètre (mm):
150
Largeur de la bande (mm):
50
Dimensions de la platine (mm):
135x110
Entre 'axe des trous de fixation (mm):
105x80
Diamètre du trou de fixation (mm):
10
Hauteur totale (mm):
190
Charge:
600
Poids unitaire de la roue (kg):
4,32
Volume (cm3):
2822
Données techniques 4-0803

Espace privé

Regístrate
Télécharger en formats 3D
Télécharger en formats 2D
DWG
Télécharger le PDF
PDF
Prix
--

Produits similaires

Contact

Contactez-nous

Envoyez-nous le formulaire suivant et nous vous contacterons pour répondre à votre question.

Coordonnées:
Email: info@alex.es
Téléphone: (+34) 974 035 345
Horaires d’ouverture:
Lundi au vendredi: 8-14h / 15-18h
Samedi et dimanche: Fermé
Responsable: Ruedas Alex, S.L.U, siendo la Finalidad: gestionar el contacto entre cualquier interesado y nuestros servicios de atención. La Legitimación: es gracias a tu consentimiento. Destinatarios: no se comunicarán los datos personales a ningún tercero. Podrás efercer Tus Derechos de Acceso, Rectificación, Supresión, Limitación, Oposición y Portabilidad en rgpd@alex.es. Para más información consulte la Política de Privacidad.

Restez informé de toutes les nouvelles, offres et promotions que nous avons préparés pour vous.