Fabricants depuis 1958
Ruedas Alex

SÉRIE SL-HG 4-1616

Voir la comparaison
Code: 4-1616

Roulettes à noyau en acier et bande en caoutchouc noir, spécialement recommandées pour supporter des poids jusqu'à 600 Kg.

Sont utilisées pour transport et logistique, ateliers, surfaces extérieures, carrosseries, gradins mobiles, logistique interne, plateformes élévatrices, chariots de transport, missions transport et logistique, machinerie lourde dans le secteur de la construction, grues mobiles, chaudronneries. Principalement, dans les secteurs industriels tels que l'aéronautique, ferroviaire et l'automobile.

Ce sont des roulettes appliquées dans des projets d'ingénierie mécanique réalisés par des dessinateurs et des projeteurs. 

HG : Roulette appropiée pour traction mécanique (chariots élévateurs, remorques etc...) et manuelle. Industrie en général. Grande protection des sols.

Composants

Montours

Fabrication en acier soudé jusqu’à 6 mm d’épaisseur.Finition bichromatée très résistante.Système de pivotement avec roulement à deux rangée de billesen acier sur chemins durcis.Fabrication conformément à la norme européenne EN 12532.

Roue

Corps de roue en fonte et bandage en caoutchouc avec graisseur
Plage de températures: -20º ÷ +60º
Résistence Au Roulement Satisfaisant
Le bruit de roulement Excellente
Protection Du Sol Excellente

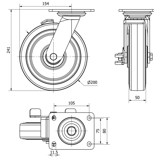
Données techniques 4-1616

EAN:
8422202416168
Type De Chape:
Pivotante
Type De Monture:
Platine
Type De Frein:
Frein De Roue
Matériel:
Caoutchouc
Roulement:
Billes
Diamètre (mm):
200
Largeur de la bande (mm):
50
Dimensions de la platine (mm):
135x110
Entre 'axe des trous de fixation (mm):
105x80
Diamètre du trou de fixation (mm):
10
Déport de la roulette (mm):
154
Hauteur totale (mm):
241
Charge:
600
Poids unitaire de la roue (kg):
6,34
Volume (cm3):
5872
Données techniques 4-1616

Espace privé

Regístrate
Télécharger en formats 3D
Télécharger en formats 2D
DWG
Télécharger le PDF
PDF
Prix
--

Produits similaires

Contact

Contactez-nous

Envoyez-nous le formulaire suivant et nous vous contacterons pour répondre à votre question.

Coordonnées:
Email: info@alex.es
Téléphone: (+34) 974 035 345
Horaires d’ouverture:
Lundi au vendredi: 8-14h / 15-18h
Samedi et dimanche: Fermé
Responsable: Ruedas Alex, S.L.U, siendo la Finalidad: gestionar el contacto entre cualquier interesado y nuestros servicios de atención. La Legitimación: es gracias a tu consentimiento. Destinatarios: no se comunicarán los datos personales a ningún tercero. Podrás efercer Tus Derechos de Acceso, Rectificación, Supresión, Limitación, Oposición y Portabilidad en rgpd@alex.es. Para más información consulte la Política de Privacidad.

Restez informé de toutes les nouvelles, offres et promotions que nous avons préparés pour vous.