Fabricants depuis 1958
Ruedas Alex

SÉRIE SL-FT 4-1620

Voir la comparaison
Code: 4-1620

Roulettes en nylon-extrafort, recommandées spécialement pour supporter de fortes charges jusqu'à 600 Kg.

Adaptées pour le transport et logistique, surfaces extérieures, salles blanches, logistique interne, gradins mobiles, plateformes élévatrices, chariots de transport, missions de transport de matériel et logistique, machinerie lourde dans le secteur de la construction, grues mobiles et centres sportifs, carrosseries, pétrochimique, principalement dans le secteur aéronautique, ferroviaire et automobile.

FT : Indiquées spécialement pour des applications dans les secteurs industriels et alimentaire. Ne laisse pas de traces. Extraforte. Conserveries.

Composants

Montours

Fabrication en acier soudé jusqu’à 6 mm d’épaisseur.Finition bichromatée très résistante.Système de pivotement avec roulement à deux rangée de billesen acier sur chemins durcis.Fabrication conformément à la norme européenne EN 12532.

Roue

Roue en polyamide 6 blanc, renforcé
Plage de températures: -30º ÷ +80º
Résistence Au Roulement Excellente
Le bruit de roulement Satisfaisant
Protection Du Sol Satisfaisant

Données techniques 4-1620

EAN:
8422202416205
Type De Chape:
Pivotante
Type De Monture:
Platine
Type De Frein:
Frein De Roue
Matériel:
Polyamide 6
Roulement:
Billes
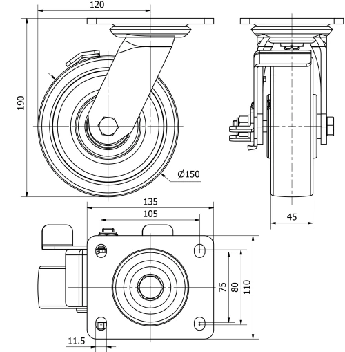
Diamètre (mm):
150
Largeur de la bande (mm):
45
Dimensions de la platine (mm):
135x110
Entre 'axe des trous de fixation (mm):
105x80
Diamètre du trou de fixation (mm):
10
Déport de la roulette (mm):
120
Hauteur totale (mm):
190
Charge:
600
Poids unitaire de la roue (kg):
2,74
Volume (cm3):
3919
Données techniques 4-1620

Espace privé

Regístrate
Télécharger en formats 3D
Télécharger en formats 2D
DWG
Télécharger le PDF
PDF
Prix
--

Produits similaires

Contact

Contactez-nous

Envoyez-nous le formulaire suivant et nous vous contacterons pour répondre à votre question.

Coordonnées:
Email: info@alex.es
Téléphone: (+34) 974 035 345
Horaires d’ouverture:
Lundi au vendredi: 8-14h / 15-18h
Samedi et dimanche: Fermé
Responsable: Ruedas Alex, S.L.U, siendo la Finalidad: gestionar el contacto entre cualquier interesado y nuestros servicios de atención. La Legitimación: es gracias a tu consentimiento. Destinatarios: no se comunicarán los datos personales a ningún tercero. Podrás efercer Tus Derechos de Acceso, Rectificación, Supresión, Limitación, Oposición y Portabilidad en rgpd@alex.es. Para más información consulte la Política de Privacidad.

Restez informé de toutes les nouvelles, offres et promotions que nous avons préparés pour vous.