Fabricants depuis 1958
Ruedas Alex

SÉRIE ZVR-AUSB 2-4189

Voir la comparaison
Code: 2-4189

Roues et roulettes avec noyau en aluminium et bande de polyuréthane dure blanche à 88º shore. Particulièrement indiquées pour supporter des charges allant jusqu'à 650 kg.

Trés  utilisées dans les outils de transport logistique, les conteneurs, le transport industriel, les chariots à outils, les stands mobiles, les usines de restauration, les équipements logistiques, les balayeuses, les polisseuses, les machines lourdes, les grues mobiles, les tables élévatrices, les chaudières, les conteneurs. Idéales pour les concepteurs, les dessinateurs, et  ingénieries mécaniques.

Principalement, dans les secteurs de l'aéronautique, du ferroviaire, de l'automobile, de l'alimentation, des ateliers et des activités industrielles.

Appliqué dans des projets d'ingénierie mécanique, par des dessinateurs et des concepteurs.

Roues de forte et moyenne capacité de charge ZVR,  pour le transport industriel, utilisées dans le transport logistique, les chariots à outils, la logistique interne ...

AUSB: Recommandée pour les déplacements rapides (jusqu'à 16 km / h). Absorption de choc élevée. Conditions de chaussée défavorables. Surfaces rugueuses et cassées, avec des copeaux de métal, des taches d'huile, des cristaux, de la graisse, du gravier.

Composants

Montours

Fabriquées en chape d’acier emboutie de 4 mm d’épaisseur. Double roulement à billes renforcé avec pistes de roulement trempées. Protection du pivot avec graisseur. Fabriquées selon les normes Européennes EN12532/12533

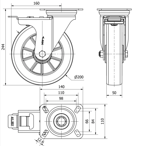
Données techniques 2-4189

EAN:
8422202241890
Type De Chape:
Pivotante
Type De Monture:
Platine
Type De Frein:
Frein Roue Et Support
Matériel:
Polyuréthane
Roulement:
Billes
Diamètre (mm):
200
Largeur de la bande (mm):
50
Dimensions de la platine (mm):
140x110
Entre 'axe des trous de fixation (mm):
105x80
Diamètre du trou de fixation (mm):
10
Déport de la roulette (mm):
160
Hauteur totale (mm):
244
Charge:
650
Données techniques 2-4189

Espace privé

Regístrate
Télécharger en formats 3D
Télécharger en formats 2D
DWG
Télécharger le PDF
PDF
Prix
--

Produits similaires

Contact

Contactez-nous

Envoyez-nous le formulaire suivant et nous vous contacterons pour répondre à votre question.

Coordonnées:
Email: info@alex.es
Téléphone: (+34) 974 035 345
Horaires d’ouverture:
Lundi au vendredi: 8-14h / 15-18h
Samedi et dimanche: Fermé
Responsable: Ruedas Alex, S.L.U, siendo la Finalidad: gestionar el contacto entre cualquier interesado y nuestros servicios de atención. La Legitimación: es gracias a tu consentimiento. Destinatarios: no se comunicarán los datos personales a ningún tercero. Podrás efercer Tus Derechos de Acceso, Rectificación, Supresión, Limitación, Oposición y Portabilidad en rgpd@alex.es. Para más información consulte la Política de Privacidad.

Restez informé de toutes les nouvelles, offres et promotions que nous avons préparés pour vous.