Fabricants depuis 1958
Ruedas Alex

SÉRIE SLR-AUSB 2-4186

Voir la comparaison
Code: 2-4186

Roues avec noyau en aluminium et bande en polyuréthane blanc coulé d'une dureté de 88 shores A, particulièrement adaptées pour supporter des charges élevées jusqu'à 650 kg.

Elles sont utilisées dans les outils de transport logistique, les espaces extérieurs, les carrossiers, la logistique interne, les stands mobiles, les plates-formes élévatrices, les missions de logistique des matériaux, la machinerie lourde, les grues mobiles, les tables élévatrices, les voitures. Outils, zones industrielles.

Appliquées dans des projets d'ingénierie mécanique par des dessinateurs et des concepteurs.

AUSB: Recommandé pour les déplacements rapides (jusqu'à 16 km / h). Absorption de choc élevée. Conditions de chaussée défavorables. Surfaces rugueuses et cassées, avec des copeaux de métal, des taches d'huile, des cristaux, de la graisse, du gravier.

Composants

Montours

Fabriquée en chape d’acier soudée jusqu’à 8 mm d’épaisseur. Double tête pivotante, la supérieure avec des grandes billes d’acier et la tête inférieure de précision, ce qui facilite les mouvements giratoires, radiaux et axiaux. Modèle construit spécialment pour les grands chariots mécanisés, la manutention dans les usines et l’industrie métallurgique. Finition zinguée couleur blanche Fabriquées selon les normes européennes EN 12532.

Roue

Résistence Au Roulement Bien
Le bruit de roulement Trés Bien
Protection Du Sol Trés Bien

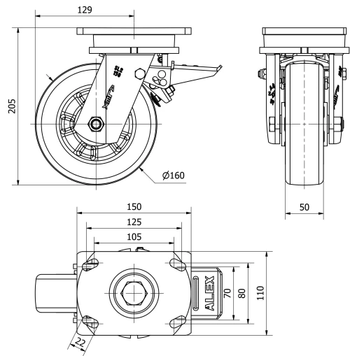
Données techniques 2-4186

EAN:
8422202241869
Type De Chape:
Pivotante
Type De Monture:
Platine
Type De Frein:
Frein Roue Et Support
Roulement:
Billes
Diamètre (mm):
160
Largeur de la bande (mm):
50
Dimensions de la platine (mm):
150x110
Entre 'axe des trous de fixation (mm):
125x70/105x80
Diamètre du trou de fixation (mm):
10
Déport de la roulette (mm):
129
Hauteur totale (mm):
205
Charge:
600
Données techniques 2-4186

Espace privé

Regístrate
Télécharger en formats 3D
Télécharger en formats 2D
DWG
Télécharger le PDF
PDF
Prix
--

Produits similaires

Contact

Contactez-nous

Envoyez-nous le formulaire suivant et nous vous contacterons pour répondre à votre question.

Coordonnées:
Email: info@alex.es
Téléphone: (+34) 974 035 345
Horaires d’ouverture:
Lundi au vendredi: 8-14h / 15-18h
Samedi et dimanche: Fermé
Responsable: Ruedas Alex, S.L.U, siendo la Finalidad: gestionar el contacto entre cualquier interesado y nuestros servicios de atención. La Legitimación: es gracias a tu consentimiento. Destinatarios: no se comunicarán los datos personales a ningún tercero. Podrás efercer Tus Derechos de Acceso, Rectificación, Supresión, Limitación, Oposición y Portabilidad en rgpd@alex.es. Para más información consulte la Política de Privacidad.

Restez informé de toutes les nouvelles, offres et promotions que nous avons préparés pour vous.