Fabricants depuis 1958
Ruedas Alex

SÉRIE TVA-HU 2-2497

Voir la comparaison
Code: 2-2497

Roulettes à noyau en acier et  polyuréthane fondu avec dureté 95º shore A, indiquées spécialement pour supporter de fortes charges jusqu'à 700 kg.

Appliquées dans les secteurs industriels, manutention des usines, industries métallurgiques, services publics, secteurs tels que le ferroviaire, l'aéronautique, la construction, les échafaudages, les échelles mobiles, les grues mobiles, les plateformes, les gradins mobiles.

Conviennent à tous les types de sols, extérieurs ou intéireurs.

HU: Forte absorption aux chocs. Conditions de chaussées défavorables. Surfaces rugueuses, abîmées, avec puces métalliques, traces d'huiles, de morceaux de verre, graisses, du gravier.

Composants

Montours

Fabrication en tôle d’acier emboutie jusqu’à 4 mm d’épaisseur. Finition galvanisée ultra résistante à l’oxydation. Frein double action réglable. Capacité de charge élevée. Les charges indiquées dans le catalogue s’appliquent à des échafaudages d’une hauteur maximale de 4 mètres et à des sols stables. Fabrication conformément à la norme européenne EN 12532.

Roue

Résistence Au Roulement Trés Bien
Le bruit de roulement Bien
Protection Du Sol Trés Bien

Données techniques 2-2497

EAN:
8422202224978
Type De Chape:
Pivotante
Type De Monture:
Tige
Type De Frein:
Frein Roue Et Support
Matériel:
Polyuréthane
Dureté du bandage:
95º SHORE A
Roulement:
Billes
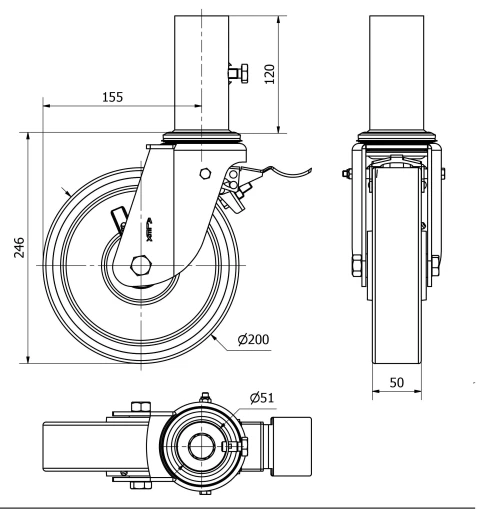
Diamètre (mm):
200
Largeur de la bande (mm):
50
Largeur x hauteur tige:
51x120
Déport de la roulette (mm):
155
Hauteur totale (mm):
246
Charge:
700
Poids unitaire de la roue (kg):
7
Volume (cm3):
3411
Données techniques 2-2497

Espace privé

Regístrate
Télécharger en formats 3D
Télécharger en formats 2D
DWG
Télécharger le PDF
PDF
Prix
--

Produits similaires

Contact

Contactez-nous

Envoyez-nous le formulaire suivant et nous vous contacterons pour répondre à votre question.

Coordonnées:
Email: info@alex.es
Téléphone: (+34) 974 035 345
Horaires d’ouverture:
Lundi au vendredi: 8-14h / 15-18h
Samedi et dimanche: Fermé
Responsable: Ruedas Alex, S.L.U, siendo la Finalidad: gestionar el contacto entre cualquier interesado y nuestros servicios de atención. La Legitimación: es gracias a tu consentimiento. Destinatarios: no se comunicarán los datos personales a ningún tercero. Podrás efercer Tus Derechos de Acceso, Rectificación, Supresión, Limitación, Oposición y Portabilidad en rgpd@alex.es. Para más información consulte la Política de Privacidad.

Restez informé de toutes les nouvelles, offres et promotions que nous avons préparés pour vous.