Fabricants depuis 1958
Ruedas Alex

SÉRIE 140-140 TW0311

Voir la comparaison
Code: TW0311

Roulettes à noyau en polyamide blanc et bande en polyuréthane rouge. Indiquées pour supporter des charges jusqu'à 150 kg.

Utilisées comme : outils de transport et logistique, ateliers, surfaces extérieures, logistique interne, chariots à outils, chariots tubulaires, usines pneumatiques, logistique interne, outils de transport, plateformes élévatrices, chariots de transport, échelles, balayeuses, polisseuses, machines d'emballage, bandes transporteuses, grues mobiles, chariots élévateurs, chaudronneries, menuiseries, menuiseries métallurgiques, fermes agricoles, tables élévatrices, Industrie de la viande, conteneurs, centres sportifs, boîtes de son et audio.

Utilisées dans le secteur aéronautique, ferroviaire, usines automobile, Industrie alimentaire, ateliers, activités industrielles.

Appliquées dans des projets d'ingénierie mécanique par des dessinateurs et des projeteurs.

TWIN LEX 140: forte dureté à l'usure. Forte résistance aux huiles et graisses. Silencieuse, propre et indéformable.

Composants

Montours

Fabrication en tôle d´acier emboutie chromée jusqu´à 4 mm d´épaisseurFinition zinguée brillanteMonture avec double chemin de billesModèle à usage universel pour charges moyennes

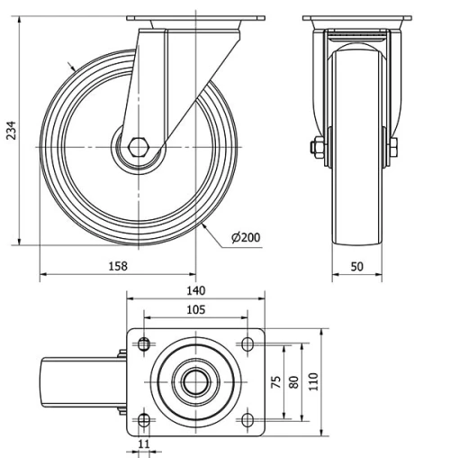
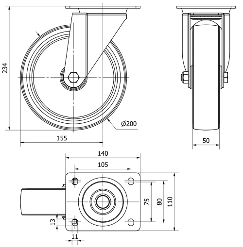
Données techniques TW0311

EAN:
8422202003115
Type De Chape:
Fixe
Type De Monture:
Platine
Type De Frein:
Sans Frein
Roulement:
Lisse
Diamètre (mm):
200
Largeur de la bande (mm):
50
Dimensions de la platine (mm):
135x114
Entre 'axe des trous de fixation (mm):
108x85/102x75
Diamètre du trou de fixation (mm):
10
Déport de la roulette (mm):
142
Hauteur totale (mm):
238
Charge:
300
Poids unitaire de la roue (kg):
2,383
Données techniques TW0311

Espace privé

Regístrate
Télécharger en formats 3D
Télécharger en formats 2D
DWG
Télécharger le PDF
PDF
Prix
--

Produits similaires

Contact

Contactez-nous

Envoyez-nous le formulaire suivant et nous vous contacterons pour répondre à votre question.

Coordonnées:
Email: info@alex.es
Téléphone: (+34) 974 035 345
Horaires d’ouverture:
Lundi au vendredi: 8-14h / 15-18h
Samedi et dimanche: Fermé
Responsable: Ruedas Alex, S.L.U, siendo la Finalidad: gestionar el contacto entre cualquier interesado y nuestros servicios de atención. La Legitimación: es gracias a tu consentimiento. Destinatarios: no se comunicarán los datos personales a ningún tercero. Podrás efercer Tus Derechos de Acceso, Rectificación, Supresión, Limitación, Oposición y Portabilidad en rgpd@alex.es. Para más información consulte la Política de Privacidad.

Restez informé de toutes les nouvelles, offres et promotions que nous avons préparés pour vous.