Fabricants depuis 1958
Ruedas Alex

SÉRIE 130-130 TW0199

Voir la comparaison
Code: TW0199

Roulettes en polypropylène blanc. Indiquées spécialement pour supporter de fortes charges jusqu'à 280 kg.

Utilisées comme : outils de transport et logistique, ateliers de réparation, chariots à outils, logistique interne, platesformes mobiles, outils de transport, platesformes élévatrices, industrie alimentaire, chariots de transport, missions de transport de matériel et logistique, échelles, machines d'emballage, bandes transporteuses, machinerie légère de la construction, tables élévatrices, chaudronneries, menuiseries, serrureries, menuiseries métalliques, fermes agricoles, Industrie de la viande, textile, centres sportifs, conteneurs et cages de transport.

Utilisées principalement dans le secteur industriel, secteur aéronautique, usines d'automobile, industrie alimentaire, textile, agricole, aviculture, congélateurs, armoires de congélation et chariots tubulaires.

Appliquées dans des projets d'ingénierie mécanique réalisés par les dessinateur et de projeteurs.

TWIN LEX 130: indéformable et résistante. Démarrage et déplacement facile.

Composants

Montours

Monture en tôle d’acier emboutie.Finition: galvanisé brillant.Fixations: Platine.Double roulement à billes.Types de roulement: roulement à rouleaux.

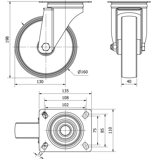
Données techniques TW0199

EAN:
8422202001999
Type De Chape:
Pivotante
Type De Monture:
Platine
Type De Frein:
Sans Frein
Matériel:
Polypropylène
Roulement:
Lisse
Diamètre (mm):
160
Largeur de la bande (mm):
40
Dimensions de la platine (mm):
135x110
Entre 'axe des trous de fixation (mm):
105x80
Diamètre du trou de fixation (mm):
10
Déport de la roulette (mm):
131
Hauteur totale (mm):
197
Charge:
200
Poids unitaire de la roue (kg):
1,324
Volume (cm3):
4300,71
Données techniques TW0199

Espace privé

Regístrate
Télécharger en formats 3D
Télécharger en formats 2D
DWG
Télécharger le PDF
PDF
Prix
--

Produits similaires

Contact

Contactez-nous

Envoyez-nous le formulaire suivant et nous vous contacterons pour répondre à votre question.

Coordonnées:
Email: info@alex.es
Téléphone: (+34) 974 035 345
Horaires d’ouverture:
Lundi au vendredi: 8-14h / 15-18h
Samedi et dimanche: Fermé
Responsable: Ruedas Alex, S.L.U, siendo la Finalidad: gestionar el contacto entre cualquier interesado y nuestros servicios de atención. La Legitimación: es gracias a tu consentimiento. Destinatarios: no se comunicarán los datos personales a ningún tercero. Podrás efercer Tus Derechos de Acceso, Rectificación, Supresión, Limitación, Oposición y Portabilidad en rgpd@alex.es. Para más información consulte la Política de Privacidad.

Restez informé de toutes les nouvelles, offres et promotions que nous avons préparés pour vous.