Fabricants depuis 1958
Ruedas Alex

SÉRIE ZV-EM 2-1113

Voir la comparaison
Code: 2-1113

Roues et Roulettes pneumatiques ZV-EM, de couleur gris,pouvant supporter jusqu'á 75 kg.,  jante en aluminium, finition galvanisée,  bandaje élastique plein, anti-crevaison, conçues pour usage intérieur, pour chariots de transport, transport d'outils, logistique,...

Composants

Montours

Fabrication en tôle d’acier emboutie jusqu’à 4 mm d’épaisseur Anti-crevaison. Silencieuse. Ne laisse pas de trace. Fabrication conformément à la norme européenne EN 12532.  

Roue

Jante métallique et bandage élastique plein anti-crevaison

Résistence Au Roulement Trés Bien
Le bruit de roulement Excellente
Protection Du Sol Excellente

Données techniques 2-1113

EAN:
8422202211138
Type De Chape:
Pivotante
Type De Monture:
Oeil
Type De Frein:
Sans Frein
Matériel:
Roue Pneumatique
Roulement:
Rouleaux
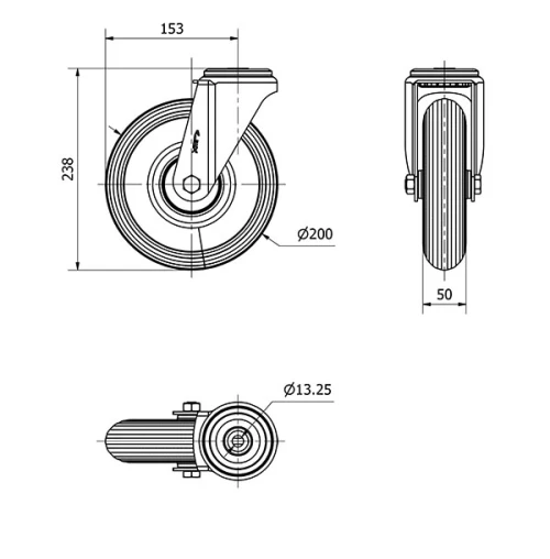
Diamètre (mm):
200
Largeur de la bande (mm):
50
Diamètre du trou de fixation (mm):
12
Déport de la roulette (mm):
153
Hauteur totale (mm):
238
Charge:
75
Poids unitaire de la roue (kg):
2,351
Volume (cm3):
4263
Données techniques 2-1113

Espace privé

Regístrate
Télécharger en formats 3D
Télécharger en formats 2D
DWG
Télécharger le PDF
PDF
Prix
--
Contact

Contactez-nous

Envoyez-nous le formulaire suivant et nous vous contacterons pour répondre à votre question.

Coordonnées:
Email: info@alex.es
Téléphone: (+34) 974 035 345
Horaires d’ouverture:
Lundi au vendredi: 8-14h / 15-18h
Samedi et dimanche: Fermé
Responsable: Ruedas Alex, S.L.U, siendo la Finalidad: gestionar el contacto entre cualquier interesado y nuestros servicios de atención. La Legitimación: es gracias a tu consentimiento. Destinatarios: no se comunicarán los datos personales a ningún tercero. Podrás efercer Tus Derechos de Acceso, Rectificación, Supresión, Limitación, Oposición y Portabilidad en rgpd@alex.es. Para más información consulte la Política de Privacidad.

Restez informé de toutes les nouvelles, offres et promotions que nous avons préparés pour vous.