Fabricants depuis 1958
Ruedas Alex

SÉRIE ZVI-UT 2-2772

Voir la comparaison
Code: 2-2772

Roulettes en polypropylène blanc avec tous ses composants en acier inoxydable (AISI 304). Indiquées spécialement pour supporter des charges jusqu'à 400 kg.

Appliquées dans les surfaces extériurs, chariots transporteurs d'aliments, cantines, salles à manger, restaurants, Industrie alimentaire, missions de transport de matériel et logistique, machines d'emballage, bandes transporteuses, constructions d'acier inoxydable, machinerie légère du secteur de la construction, conteneurs, roll-tainers, cages transport, fermes avicoles, Industrie chimique, machinerie de boulangeries, chaînes alimentaires, réfrigérateurs, coffres, congélateurs, appliquées dans des projets d'ingénierie mécanique réalisés par des dessinateurs et des projeteurs.

UT: Indéformable et résistante. Démarrage et glissement faciles.

Composants

Montours

Fabriqué en tôle d’acier inoxydable emboutie (AISI 304) jusqu’a 3 mm d’épaisseur. Monture entièrement en acier inoxydable, protection contre la corrosion, les huiles, l’essence et les graisses. Fabrication conformément aux normes européennes EN 12530/12532  

Roue

Roue en polypropylène blanc
Plage de températures: -20º ÷ +60º
Résistence Au Roulement Trés Bien
Le bruit de roulement Satisfaisant
Protection Du Sol Satisfaisant

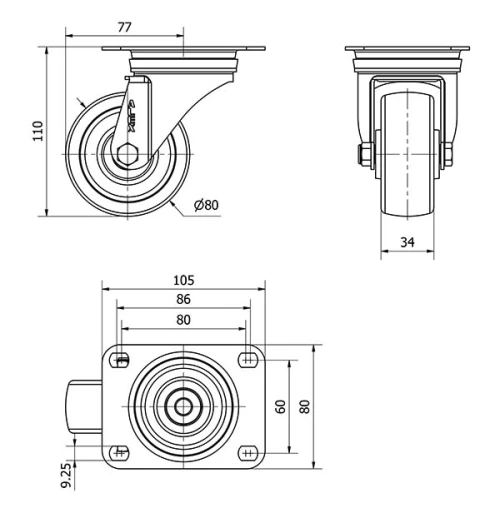
Données techniques 2-2772

EAN:
8422202227726
Type De Chape:
Pivotante
Type De Monture:
Platine
Type De Frein:
Sans Frein
Matériel:
Polypropylène
Roulement:
Roulement A Rouleaux Inoxydables
Diamètre (mm):
80
Largeur de la bande (mm):
34
Dimensions de la platine (mm):
105x80
Entre 'axe des trous de fixation (mm):
86/80x60
Diamètre du trou de fixation (mm):
8
Déport de la roulette (mm):
77
Hauteur totale (mm):
110
Charge:
200
Poids unitaire de la roue (kg):
0,56
Volume (cm3):
1140
Données techniques 2-2772

Espace privé

Regístrate
Télécharger en formats 3D
Télécharger en formats 2D
DWG
Télécharger le PDF
PDF
Prix
--

Produits similaires

Contact

Contactez-nous

Envoyez-nous le formulaire suivant et nous vous contacterons pour répondre à votre question.

Coordonnées:
Email: info@alex.es
Téléphone: (+34) 974 035 345
Horaires d’ouverture:
Lundi au vendredi: 8-14h / 15-18h
Samedi et dimanche: Fermé
Responsable: Ruedas Alex, S.L.U, siendo la Finalidad: gestionar el contacto entre cualquier interesado y nuestros servicios de atención. La Legitimación: es gracias a tu consentimiento. Destinatarios: no se comunicarán los datos personales a ningún tercero. Podrás efercer Tus Derechos de Acceso, Rectificación, Supresión, Limitación, Oposición y Portabilidad en rgpd@alex.es. Para más información consulte la Política de Privacidad.

Restez informé de toutes les nouvelles, offres et promotions que nous avons préparés pour vous.