Fabricants depuis 1958
Ruedas Alex

SÉRIE ZVI-TT 2-1716

Voir la comparaison
Code: 2-1716

Roulettes en résine, indiquées spécialement pour supporter de fortes températures et de fortes charges jusqu'à 125 Kg. Avec tous ses composants en acier inoxydable (AISI 304).

Appliquées dans les fours, pour machinerie légère. Utilisées principalement dans les secteurs industriels, aéronautique et automobile, alimentaire, distributeurs automatiques, machineries, boulangeries, machinerie légère, conteneurs, constructions en acier inoxydable.

Appliquées dans des projets d'ingénierie mécanique réalisés par des dessinateurs et des projeteurs.

TT: Roulette de résine. Indiquée pour les secteurs industriels.

Supporte des tempéraures allant jusqu'à +280ºC par intervalles de 30 minutes.

Composants

Montours

Fabriqué en tôle d’acier inoxydable emboutie (AISI 304) jusqu’a 3 mm d’épaisseur.Monture entièrement en acier inoxydable, protection contre la corrosion, les huiles, l’essence et les graisses.Fabrication conformément aux normes européennes EN 12530/12532

Roue

Roue en résine phénolique jusqu´à 280 ºC en travail discontinu
Plage de températures: -30º ÷ +280º
Résistence Au Roulement Trés Bien
Le bruit de roulement Satisfaisant
Protection Du Sol Satisfaisant

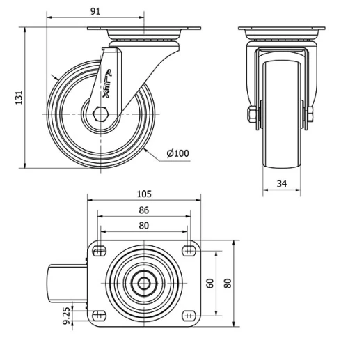
Données techniques 2-1716

EAN:
8422202217161
Type De Chape:
Pivotante
Type De Monture:
Platine
Type De Frein:
Sans Frein
Matériel:
Résine Phénolique
Roulement:
Lisse
Diamètre (mm):
100
Largeur de la bande (mm):
34
Dimensions de la platine (mm):
105x80
Entre 'axe des trous de fixation (mm):
86/80x60
Diamètre du trou de fixation (mm):
8
Déport de la roulette (mm):
91
Hauteur totale (mm):
131
Charge:
125
Poids unitaire de la roue (kg):
0,742
Volume (cm3):
1504
:
L
Données techniques 2-1716

Espace privé

Regístrate
Télécharger en formats 3D
Télécharger en formats 2D
DWG
Télécharger le PDF
PDF
Prix
--

Produits similaires

Contact

Contactez-nous

Envoyez-nous le formulaire suivant et nous vous contacterons pour répondre à votre question.

Coordonnées:
Email: info@alex.es
Téléphone: (+34) 974 035 345
Horaires d’ouverture:
Lundi au vendredi: 8-14h / 15-18h
Samedi et dimanche: Fermé
Responsable: Ruedas Alex, S.L.U, siendo la Finalidad: gestionar el contacto entre cualquier interesado y nuestros servicios de atención. La Legitimación: es gracias a tu consentimiento. Destinatarios: no se comunicarán los datos personales a ningún tercero. Podrás efercer Tus Derechos de Acceso, Rectificación, Supresión, Limitación, Oposición y Portabilidad en rgpd@alex.es. Para más información consulte la Política de Privacidad.

Restez informé de toutes les nouvelles, offres et promotions que nous avons préparés pour vous.