Fabricants depuis 1958
Ruedas Alex

SÉRIE ZVI-TD 2-4010

Voir la comparaison
Code: 2-4010

Roulettes en résine extraforte, indiquées  spécialement pour résister à de fortes températures et à de fortes charges jusqu'à 600 Kg. Avec tous ses composants en acier inoxydable (AISI 304).

Appliquées dans les fours, machinerie légère. Utilisées principalement dans les secteurs industriels, aéronautique et automobile, Industrie alimentaire, cuisines, distributeurs automatiques, chambres de congélation, constructions inoxydables.

Appliquées dans des projets d'ingénierie mécanique réalisés par des dessinateurs et des projeteurs.

TD: Roulette en résine extraforte. Indiquée pour les secteurs industriels.

Composants

Montours

Fabriqué en tôle d’acier inoxydable emboutie (AISI 304) jusqu’a 3 mm d’épaisseur.Monture entièrement en acier inoxydable, protection contre la corrosion, les huiles, l’essence et les graisses.Fabrication conformément aux normes européennes EN 12530/12532

Roue

Roue en résine phénolique jusqu´à 200 ºC en travail discontinu
Plage de températures: -40º ÷ +200º
Résistence Au Roulement Trés Bien
Le bruit de roulement Satisfaisant
Protection Du Sol Satisfaisant

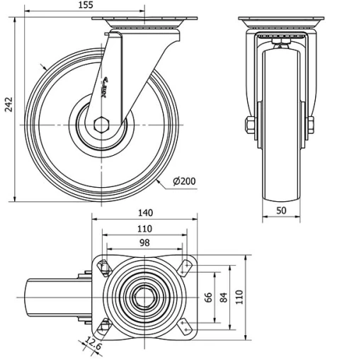
Données techniques 2-4010

EAN:
8422202240107
Type De Chape:
Pivotante
Type De Monture:
Platine
Type De Frein:
Sans Frein
Matériel:
Résine Phénolique
Roulement:
Lisse
Diamètre (mm):
200
Largeur de la bande (mm):
50
Dimensions de la platine (mm):
140x110
Entre 'axe des trous de fixation (mm):
105x80
Diamètre du trou de fixation (mm):
10
Déport de la roulette (mm):
153
Hauteur totale (mm):
242
Charge:
600
Données techniques 2-4010

Espace privé

Regístrate
Télécharger en formats 3D
Télécharger en formats 2D
DWG
Télécharger le PDF
PDF
Prix
--

Produits similaires

Contact

Contactez-nous

Envoyez-nous le formulaire suivant et nous vous contacterons pour répondre à votre question.

Coordonnées:
Email: info@alex.es
Téléphone: (+34) 974 035 345
Horaires d’ouverture:
Lundi au vendredi: 8-14h / 15-18h
Samedi et dimanche: Fermé
Responsable: Ruedas Alex, S.L.U, siendo la Finalidad: gestionar el contacto entre cualquier interesado y nuestros servicios de atención. La Legitimación: es gracias a tu consentimiento. Destinatarios: no se comunicarán los datos personales a ningún tercero. Podrás efercer Tus Derechos de Acceso, Rectificación, Supresión, Limitación, Oposición y Portabilidad en rgpd@alex.es. Para más información consulte la Política de Privacidad.

Restez informé de toutes les nouvelles, offres et promotions que nous avons préparés pour vous.