Fabricants depuis 1958
Ruedas Alex

SÉRIE ZVI-POL 2-2419

Voir la comparaison
Code: 2-2419

Roulettes en polyuréthane injecté avec tous ses composants en acier inoxydable (AISI 304). Indiquées spécialement pour supporter des charges jusqu'à 300 kg.

Appliquées dans les surfaces extérieures, chariots transporteurs d'aliments, cantines, salles à manger, restaurants, Industrie alimentaire, missions detransport de matériel et logistique, machines d'emballage, bandes transporteuses, constructions d'acier inoxydable, machinerie légère du secteur de la construction, conteneurs, roll-tainers, cages transport, fermes avicoles, Industrie chimique, chaînes alimentaires, frigorifiques, coffres, congélateurs.

Appliquées dans des projets d'ingénierie mécanique par des dessinateurs et des projeteurs.

POL: Forte dureté à l'usure. Forte résistance aux traces d'huiles et graisses. Silencieuse, propre et indéformable.

Composants

Montours

Fabriqué en tôle d’acier inoxydable emboutie (AISI 304) jusqu’a 3 mm d’épaisseur. Monture entièrement en acier inoxydable, protection contre la corrosion, les huiles, l’essence et les graisses. Fabrication conformément aux normes européennes EN 12530/12532  

Roue

Corps de roue en polypropylène blanc et bandage en polyuréthane marron. Shore A 90º
Plage de températures: -25º ÷ +80º
Résistence Au Roulement Trés Bien
Le bruit de roulement Trés Bien
Protection Du Sol Trés Bien

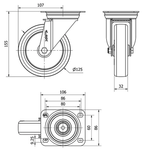
Données techniques 2-2419

EAN:
8422202224190
Type De Chape:
Pivotante
Type De Monture:
Platine
Type De Frein:
Sans Frein
Matériel:
Polyuréthane
Dureté du bandage:
95º SHORE A
Roulement:
Lisse
Diamètre (mm):
125
Largeur de la bande (mm):
32
Dimensions de la platine (mm):
106x86
Entre 'axe des trous de fixation (mm):
86/80x60
Diamètre du trou de fixation (mm):
8
Déport de la roulette (mm):
107
Hauteur totale (mm):
155
Charge:
250
Poids unitaire de la roue (kg):
0,76
Volume (cm3):
2133
Données techniques 2-2419

Espace privé

Regístrate
Télécharger en formats 3D
Télécharger en formats 2D
DWG
Télécharger le PDF
PDF
Prix
--

Produits similaires

Contact

Contactez-nous

Envoyez-nous le formulaire suivant et nous vous contacterons pour répondre à votre question.

Coordonnées:
Email: info@alex.es
Téléphone: (+34) 974 035 345
Horaires d’ouverture:
Lundi au vendredi: 8-14h / 15-18h
Samedi et dimanche: Fermé
Responsable: Ruedas Alex, S.L.U, siendo la Finalidad: gestionar el contacto entre cualquier interesado y nuestros servicios de atención. La Legitimación: es gracias a tu consentimiento. Destinatarios: no se comunicarán los datos personales a ningún tercero. Podrás efercer Tus Derechos de Acceso, Rectificación, Supresión, Limitación, Oposición y Portabilidad en rgpd@alex.es. Para más información consulte la Política de Privacidad.

Restez informé de toutes les nouvelles, offres et promotions que nous avons préparés pour vous.