Fabricants depuis 1958
Ruedas Alex

SÉRIE ZVI-POL 2-3477

Voir la comparaison
Code: 2-3477

Roulettes en polyuréthane injecté avec tous ses composants en acier inoxydable (AISI 304). Indiquées spécialement pour supporter des charges jusqu'à 300 kg.

Appliquées dans les surfaces extérieures, chariots transporteurs d'aliments, cantines, salles à manger, restaurants, Industrie alimentaire, missions detransport de matériel et logistique, machines d'emballage, bandes transporteuses, constructions d'acier inoxydable, machinerie légère du secteur de la construction, conteneurs, roll-tainers, cages transport, fermes avicoles, Industrie chimique, chaînes alimentaires, frigorifiques, coffres, congélateurs.

Appliquées dans des projets d'ingénierie mécanique par des dessinateurs et des projeteurs.

POL: Forte dureté à l'usure. Forte résistance aux traces d'huiles et graisses. Silencieuse, propre et indéformable.

Composants

Montours

Fabriqué en tôle d’acier inoxydable emboutie (AISI 304) jusqu’a 3 mm d’épaisseur. Monture entièrement en acier inoxydable, protection contre la corrosion, les huiles, l’essence et les graisses. Fabrication conformément aux normes européennes EN 12530/12532  

Roue

Corps de roue en polypropylène blanc et bandage en polyuréthane marron. Shore A 90º
Plage de températures: -25º ÷ +80º
Résistence Au Roulement Trés Bien
Le bruit de roulement Trés Bien
Protection Du Sol Trés Bien

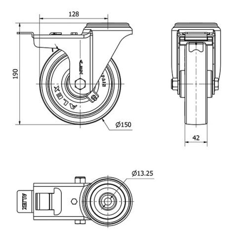
Données techniques 2-3477

EAN:
8422202234779
Type De Chape:
Pivotante
Type De Monture:
Oeil
Type De Frein:
Frein Roue Et Support
Matériel:
Polyuréthane
Dureté du bandage:
95º SHORE A
Roulement:
Roulement A Rouleaux Inoxydables
Diamètre (mm):
150
Largeur de la bande (mm):
42
Diamètre du trou de fixation (mm):
12
Déport de la roulette (mm):
128
Hauteur totale (mm):
190
Charge:
280
Poids unitaire de la roue (kg):
1,765
Volume (cm3):
3761
Données techniques 2-3477

Espace privé

Regístrate
Télécharger en formats 3D
Télécharger en formats 2D
DWG
Télécharger le PDF
PDF
Prix
--

Produits similaires

Contact

Contactez-nous

Envoyez-nous le formulaire suivant et nous vous contacterons pour répondre à votre question.

Coordonnées:
Email: info@alex.es
Téléphone: (+34) 974 035 345
Horaires d’ouverture:
Lundi au vendredi: 8-14h / 15-18h
Samedi et dimanche: Fermé
Responsable: Ruedas Alex, S.L.U, siendo la Finalidad: gestionar el contacto entre cualquier interesado y nuestros servicios de atención. La Legitimación: es gracias a tu consentimiento. Destinatarios: no se comunicarán los datos personales a ningún tercero. Podrás efercer Tus Derechos de Acceso, Rectificación, Supresión, Limitación, Oposición y Portabilidad en rgpd@alex.es. Para más información consulte la Política de Privacidad.

Restez informé de toutes les nouvelles, offres et promotions que nous avons préparés pour vous.