Fabricants depuis 1958
Ruedas Alex

SÉRIE ZVI-POA 2-2952

Voir la comparaison
Code: 2-2952

Roulettes en polyuréthane injectée doux bleu avec tous les composants en acier inoxydable (AISI 304). Indiquées spécialement pour supporter des charges jusqu'à 250 kg.

Appliquées dans les surfaces extérieures, chariots transporteurs d'aliments, cantines, salles à manger, restaurants, Industrie alimentaire, missions de transport de matériel et logistique, machineries d'emballage, bandes transporteusese, constructions d'acier inoxydable, machinerie légère du secteur de la construction, conteneurs, roll-tainers, cages de transport, fermes avicoles, Industrie chimique, chaînes alimentaires, réfrigérateurs, coffres, congélateurs.

Appliquées dans des projets d'ingénierie mécanique par des dessinateurs et des projeteurs.

POA: déplacement plus silencieux et absorption des vibrations, propre et élastique. Longue durabilité. Forte résistance aux huiles et aux graisses.

Composants

Montours

Fabriqué en tôle d’acier inoxydable emboutie (AISI 304) jusqu’a 3 mm d’épaisseur. Monture entièrement en acier inoxydable, protection contre la corrosion, les huiles, l’essence et les graisses. Fabrication conformément aux normes européennes EN 12530/12532  

Roue

Corps de roue en polypropylène blanc et bandage en polyuréthane bleu (Shore A 80º)
Plage de températures: -25º ÷ +80º
Résistence Au Roulement Bien
Le bruit de roulement Trés Bien
Protection Du Sol Trés Bien

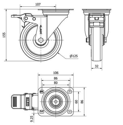
Données techniques 2-2952

EAN:
8422202229522
Type De Chape:
Pivotante
Type De Monture:
Platine
Type De Frein:
Frein Roue Et Support
Matériel:
Polyuréthane
Dureté du bandage:
80º SHORE A
Roulement:
Roulement A Rouleaux Inoxydables
Diamètre (mm):
125
Largeur de la bande (mm):
32
Dimensions de la platine (mm):
106x86
Entre 'axe des trous de fixation (mm):
86/80x60
Diamètre du trou de fixation (mm):
8
Déport de la roulette (mm):
107
Hauteur totale (mm):
155
Charge:
175
Poids unitaire de la roue (kg):
0,89
Volume (cm3):
2493
Données techniques 2-2952

Espace privé

Regístrate
Télécharger en formats 3D
Télécharger en formats 2D
DWG
Télécharger le PDF
PDF
Prix
--

Produits similaires

Contact

Contactez-nous

Envoyez-nous le formulaire suivant et nous vous contacterons pour répondre à votre question.

Coordonnées:
Email: info@alex.es
Téléphone: (+34) 974 035 345
Horaires d’ouverture:
Lundi au vendredi: 8-14h / 15-18h
Samedi et dimanche: Fermé
Responsable: Ruedas Alex, S.L.U, siendo la Finalidad: gestionar el contacto entre cualquier interesado y nuestros servicios de atención. La Legitimación: es gracias a tu consentimiento. Destinatarios: no se comunicarán los datos personales a ningún tercero. Podrás efercer Tus Derechos de Acceso, Rectificación, Supresión, Limitación, Oposición y Portabilidad en rgpd@alex.es. Para más información consulte la Política de Privacidad.

Restez informé de toutes les nouvelles, offres et promotions que nous avons préparés pour vous.