Fabricants depuis 1958
Ruedas Alex

SÉRIE ZVI-PO 2-1655

Voir la comparaison
Code: 2-1655

Roulettes en polyuréthane injecté avec tous ses composants en acier inoxydable (AISI 304). Indiquées pour supporter des charges jusqu'à 600 kg.

Appliquées dans les surfaces extérieures, chariots transporteurs d'aliments, cantines, salles à manger, restaurants, Industrie alimentaire, missions de transport de matériel et logistique, machines d'emballage, bandes transporteuses, constructions d'acier inoxydable, machinerie légère du secteur de la construction, conteneurs, roll-tainers, cages de transport, fermes avicoles, Industrie chimique, machinerie de boulangeries, chaînes alimentaires, réfrigérateurs, coffres, congélateurs.

Appliquées dans des projets d'ingénierie mécanique réalisés par des dessinateurs et des projeteurs.

PO: Fonctionnement élastique. Silencieuse. Protection maximale des sols. Forte dureté à l'usure. Forte résistance aux traces d'huiles et  graisses. Propre et indéformable.

Composants

Montours

Fabriqué en tôle d’acier inoxydable emboutie (AISI 304) jusqu’a 3 mm d’épaisseur. Monture entièrement en acier inoxydable, protection contre la corrosion, les huiles, l’essence et les graisses. Fabrication conformément aux normes européennes EN 12530/12532  

Roue

Corps de roue en polyamide blanc et bandage en polyuréthane rouge (Shore A 95º)
Plage de températures: -25º ÷ +80º
Résistence Au Roulement Trés Bien
Le bruit de roulement Trés Bien
Protection Du Sol Trés Bien

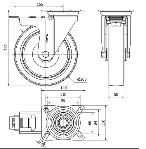
Données techniques 2-1655

EAN:
8422202216553
Type De Chape:
Pivotante
Type De Monture:
Platine
Type De Frein:
Frein Roue Et Support
Matériel:
Polyuréthane
Dureté du bandage:
90-95º SHORE A
Roulement:
Lisse
Diamètre (mm):
200
Largeur de la bande (mm):
50
Dimensions de la platine (mm):
140x110
Entre 'axe des trous de fixation (mm):
105x80
Diamètre du trou de fixation (mm):
10
Déport de la roulette (mm):
153
Hauteur totale (mm):
242
Charge:
600
Poids unitaire de la roue (kg):
2,792
Volume (cm3):
6442
Données techniques 2-1655

Espace privé

Regístrate
Télécharger en formats 3D
Télécharger en formats 2D
DWG
Télécharger le PDF
PDF
Prix
--

Produits similaires

Contact

Contactez-nous

Envoyez-nous le formulaire suivant et nous vous contacterons pour répondre à votre question.

Coordonnées:
Email: info@alex.es
Téléphone: (+34) 974 035 345
Horaires d’ouverture:
Lundi au vendredi: 8-14h / 15-18h
Samedi et dimanche: Fermé
Responsable: Ruedas Alex, S.L.U, siendo la Finalidad: gestionar el contacto entre cualquier interesado y nuestros servicios de atención. La Legitimación: es gracias a tu consentimiento. Destinatarios: no se comunicarán los datos personales a ningún tercero. Podrás efercer Tus Derechos de Acceso, Rectificación, Supresión, Limitación, Oposición y Portabilidad en rgpd@alex.es. Para más información consulte la Política de Privacidad.

Restez informé de toutes les nouvelles, offres et promotions que nous avons préparés pour vous.