Fabricants depuis 1958
Ruedas Alex

SÉRIE ZVI-PGA 2-1182

Voir la comparaison
Code: 2-1182

Roulettes en caoutchouc noir naturel avec tous ses composants en acier inoxydable (AISI 304). Indiquées spécialement pour supporter des charges jusqu'à 135 kg.

Appliquées dans les surfaces extérieures, chariots de transporteurs d'aliments, cantines, salles à manger, restaurants, Industrie alimentaire, missions de transport de  matériel et logistique, machines d'emballage, bandes transporteuses, constructions d'acier inoxydable, machinerie légère dans le secteur de la construction, conteneurs, roll-tainers, cages de transport.

Appliquées dans des projets d'ingénierie mécanique réalisés par des dessinateurs et des projeteurs.

PGA: Roulette douce et silencieuse. Ne laisse pas de traces.

Composants

Montours

Fabriqué en tôle d’acier inoxydable emboutie (AISI 304) jusqu’a 3 mm d’épaisseur. Monture entièrement en acier inoxydable, protection contre la corrosion, les huiles, l’essence et les graisses. Fabrication conformément aux normes européennes EN 12530/12532  

Roue

Corps de roue en polypropylène et bandage en caoutchouc gris
Plage de températures: -20º ÷ +60º
Résistence Au Roulement Satisfaisant
Le bruit de roulement Excellente
Protection Du Sol Excellente

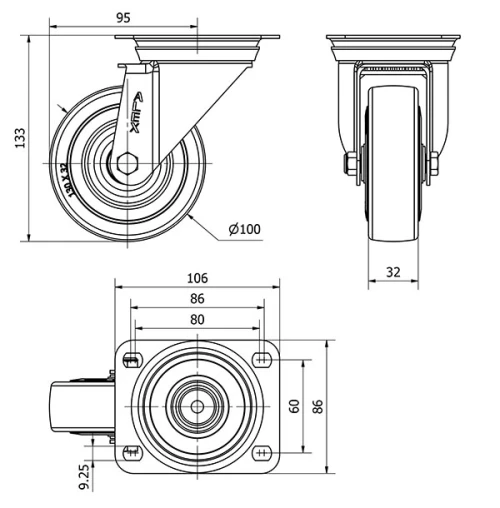
Données techniques 2-1182

EAN:
8422202211824
Type De Chape:
Pivotante
Type De Monture:
Platine
Type De Frein:
Sans Frein
Matériel:
Caoutchouc
Roulement:
Lisse
Diamètre (mm):
100
Largeur de la bande (mm):
32
Dimensions de la platine (mm):
106x86
Entre 'axe des trous de fixation (mm):
86/80x60
Diamètre du trou de fixation (mm):
8
Déport de la roulette (mm):
94
Hauteur totale (mm):
133
Charge:
110
Poids unitaire de la roue (kg):
0,865
Volume (cm3):
1706
Données techniques 2-1182

Espace privé

Regístrate
Télécharger en formats 3D
Télécharger en formats 2D
DWG
Télécharger le PDF
PDF
Prix
--

Produits similaires

Contact

Contactez-nous

Envoyez-nous le formulaire suivant et nous vous contacterons pour répondre à votre question.

Coordonnées:
Email: info@alex.es
Téléphone: (+34) 974 035 345
Horaires d’ouverture:
Lundi au vendredi: 8-14h / 15-18h
Samedi et dimanche: Fermé
Responsable: Ruedas Alex, S.L.U, siendo la Finalidad: gestionar el contacto entre cualquier interesado y nuestros servicios de atención. La Legitimación: es gracias a tu consentimiento. Destinatarios: no se comunicarán los datos personales a ningún tercero. Podrás efercer Tus Derechos de Acceso, Rectificación, Supresión, Limitación, Oposición y Portabilidad en rgpd@alex.es. Para más información consulte la Política de Privacidad.

Restez informé de toutes les nouvelles, offres et promotions que nous avons préparés pour vous.