Fabricants depuis 1958
Ruedas Alex

SÉRIE ZLI-POL 2-3099

Voir la comparaison
Code: 2-3099

Roulettes en polyuréthane injecté avec tous ses composants en acier inoxydable (AISI 304). Indiquées spécialement pour supporter des charges jusqu'à 130 kg.

Appliquées dans les espaces extérieurs, chariots de transporteurs d'aliment, cantines, salles à manger, restaurants, Industrie alimentaire, bandes transporteuses, machinerie légère pour le secteur de la construction, fermes avicoles, abattoirs, Industrie de la viande, Industrie laitière, Industrie chimique.

Appliquées dans des projets d'ingénierie mécanique réalisés par des dessinateurs et des projeteurs.

POL: Forte dureté à l'usure. Forte résistance aux traces d'huiles et graisses. Silencieuse, propre et indéformable.

Composants

Montours

Fabrication en tôle d'acier inoxydable. emboutie (AISI 304) jusqu´à 2,5 mm d 'épaisseur. Tous les composants sont en acier inoxydable. Fabrication conformément aux normes européennes EN 12530.

Roue

Corps de roue en polypropylène blanc et bandage en polyuréthane marron. Shore A 90º
Plage de températures: -25º ÷ +80º
Résistence Au Roulement Trés Bien
Le bruit de roulement Trés Bien
Protection Du Sol Trés Bien

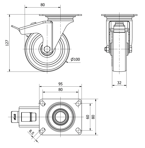
Données techniques 2-3099

EAN:
8422202230993
Type De Chape:
Pivotante
Type De Monture:
Platine
Type De Frein:
Frein Roue Et Support
Matériel:
Polyuréthane
Dureté du bandage:
95º SHORE A
Roulement:
Lisse
Diamètre (mm):
100
Largeur de la bande (mm):
32
Dimensions de la platine (mm):
95x80
Entre 'axe des trous de fixation (mm):
80x60
Diamètre du trou de fixation (mm):
8
Déport de la roulette (mm):
80
Hauteur totale (mm):
127
Charge:
120
Poids unitaire de la roue (kg):
0,634
Volume (cm3):
1590
Données techniques 2-3099

Espace privé

Regístrate
Télécharger en formats 3D
Télécharger en formats 2D
DWG
Télécharger le PDF
PDF
Prix
--

Produits similaires

Contact

Contactez-nous

Envoyez-nous le formulaire suivant et nous vous contacterons pour répondre à votre question.

Coordonnées:
Email: info@alex.es
Téléphone: (+34) 974 035 345
Horaires d’ouverture:
Lundi au vendredi: 8-14h / 15-18h
Samedi et dimanche: Fermé
Responsable: Ruedas Alex, S.L.U, siendo la Finalidad: gestionar el contacto entre cualquier interesado y nuestros servicios de atención. La Legitimación: es gracias a tu consentimiento. Destinatarios: no se comunicarán los datos personales a ningún tercero. Podrás efercer Tus Derechos de Acceso, Rectificación, Supresión, Limitación, Oposición y Portabilidad en rgpd@alex.es. Para más información consulte la Política de Privacidad.

Restez informé de toutes les nouvelles, offres et promotions que nous avons préparés pour vous.