Fabricants depuis 1958
Ruedas Alex

SÉRIE HLSB-DEGB 2-4413

Voir la comparaison
Code: 2-4413

Roulettes avec corps en aluminium et bandage en caoutchouc élastique gris d'une dureté de 70º shore A. Particulièrement adaptée pour supporter de fortes charges allant jusqu'à 450 Kgs. Avec un support élastique grâce à l'incorporation de ressorts très résistants pour absorber les coups, chocs et irrégularités. Course du ressort jusqu'à 25mm. idéal sur les sols irréguliers où son amortisation agit.

Elle est utilisée sur les outils de transport, en espaces extérieurs, en logistique interne, sur les chariots de transport, en logistique, machinerie lourde du secteur de la construction, et les gradins mobiles. Particulièrement adaptée pour le secteur aéronautique, ferroviaire et automobile.

DEGB: idéale pour le transport manuel de charges moyennes, Silencieuse. Ne laisse pas d'empreinte. Absorption des coups et vibrations. Protection maximale des sols et des équipements. Idéale pour les sols irréguliers.

Composants

Montours

Fabriquée en acier forgé jusqu’à 8mm. d’épaisseur. Finition en peinture noire. Monture élastique grâce à l’incorporation de ressorts très résistants. Course du ressort jusqu’à 25mm. pour une charge de 200kg. Particulièrement adaptée pour absorber les coups, chocs et irrégularités. Fabriquée selon les normes Européennes EN12532/12533.

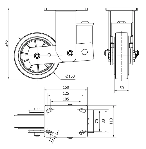
Données techniques 2-4413

EAN:
8422202244136
Type De Chape:
Fixe
Type De Monture:
Platine
Type De Frein:
Sans Frein
Matériel:
Caoutchouc
Température Minimum (ºC):
-20
Température Maximale (ºC):
70
Dureté du bandage:
70º SHORE A
Roulement:
Billes
Couleur:
Gris
Diamètre (mm):
160
Largeur de la bande (mm):
50
Dimensions de la platine (mm):
150x110
Entre 'axe des trous de fixation (mm):
105x80
Diamètre du trou de fixation (mm):
10
Déport de la roulette (mm):
180
Hauteur totale (mm):
245
Charge:
350
Poids unitaire de la roue (kg):
6593
Volume (cm3):
6872
Données techniques 2-4413

Espace privé

Regístrate
Télécharger en formats 3D
Télécharger en formats 2D
DWG
Télécharger le PDF
PDF
Prix
--

Produits similaires

Contact

Contactez-nous

Envoyez-nous le formulaire suivant et nous vous contacterons pour répondre à votre question.

Coordonnées:
Email: info@alex.es
Téléphone: (+34) 974 035 345
Horaires d’ouverture:
Lundi au vendredi: 8-14h / 15-18h
Samedi et dimanche: Fermé
Responsable: Ruedas Alex, S.L.U, siendo la Finalidad: gestionar el contacto entre cualquier interesado y nuestros servicios de atención. La Legitimación: es gracias a tu consentimiento. Destinatarios: no se comunicarán los datos personales a ningún tercero. Podrás efercer Tus Derechos de Acceso, Rectificación, Supresión, Limitación, Oposición y Portabilidad en rgpd@alex.es. Para más información consulte la Política de Privacidad.

Restez informé de toutes les nouvelles, offres et promotions que nous avons préparés pour vous.