Fabricants depuis 1958
Ruedas Alex

SÉRIE HLS-HU 2-3188

Voir la comparaison
Code: 2-3188

Roulettes à noyau en acier et bande en polyuréthane fondu avec dureté de 95° shore A, indiquées spécialement pour supporter de fortes charges jusqu'à 1 250 Kg. Avec un support de suspension flexible avec incorporation d'un ressort très résistant, idéale sur sols irréguliers où son amortissement est optimal. 

Elle s'utilise comme outils de transport et logistique, dans les surfaces extérieures, logistique interne, gradins mobiles, plateformes élévatrices, chariots de transport, machinerie lourde dans le secteur de la construction, grues mobiles. Utilisées principalement dans le secteur aéronautique, ferroviaire et automobile.

HU: Forte absorption aux chocs. Adaptée à des sols abîmés. Surfaces rugueuses, abîmées, avec des puces métalliques, des traces d'huiles, de morceaux de verre, des traces de graisses, du gravier. 

Composants

Montours

Fabriquée en acier forgé de 8mm. jusqu’à 18mm. d’épaisseur. Finition en peinture noire. Monture élastique grâce à l’incorporation de ressorts très résistants. Course du ressort jusqu’à 24,5mm. pour une charge de 700kg. Particulièrement adaptée pour absorber les coups, chocs et irrégularités. Fabriquée selon les normes Européennes EN12532/12533.

Roue

Résistence Au Roulement Trés Bien
Le bruit de roulement Bien
Protection Du Sol Trés Bien

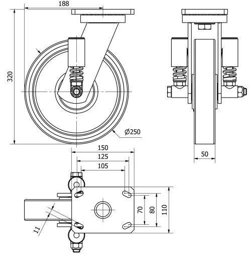
Données techniques 2-3188

EAN:
8422202231884
Type De Chape:
Pivotante
Type De Monture:
Platine
Type De Frein:
Sans Frein
Matériel:
Polyuréthane
Dureté du bandage:
95º SHORE A
Roulement:
Billes
Diamètre (mm):
250
Largeur de la bande (mm):
50
Dimensions de la platine (mm):
150x110
Entre 'axe des trous de fixation (mm):
105x80
Diamètre du trou de fixation (mm):
10
Déport de la roulette (mm):
188
Hauteur totale (mm):
320
Charge:
1250
Poids unitaire de la roue (kg):
11
Volume (cm3):
9258
Données techniques 2-3188

Espace privé

Regístrate
Télécharger en formats 3D
Télécharger en formats 2D
DWG
Télécharger le PDF
PDF
Prix
--

Produits similaires

Contact

Contactez-nous

Envoyez-nous le formulaire suivant et nous vous contacterons pour répondre à votre question.

Coordonnées:
Email: info@alex.es
Téléphone: (+34) 974 035 345
Horaires d’ouverture:
Lundi au vendredi: 8-14h / 15-18h
Samedi et dimanche: Fermé
Responsable: Ruedas Alex, S.L.U, siendo la Finalidad: gestionar el contacto entre cualquier interesado y nuestros servicios de atención. La Legitimación: es gracias a tu consentimiento. Destinatarios: no se comunicarán los datos personales a ningún tercero. Podrás efercer Tus Derechos de Acceso, Rectificación, Supresión, Limitación, Oposición y Portabilidad en rgpd@alex.es. Para más información consulte la Política de Privacidad.

Restez informé de toutes les nouvelles, offres et promotions que nous avons préparés pour vous.