Fabricants depuis 1958
Ruedas Alex

SÉRIE HLG-HU 2-1869

Voir la comparaison
Code: 2-1869

Roulette double à noyau en acier et bande de polyuréthane fondu avec dureté de 95° shore A, indiquées spécialement pour supporter de fortes charges jusqu'à 2 500 kg. 

Utilisées comme outils de transport et logistique, pour grues transporteuses de matériaux lourds tels que les plateformes élévatrices. Utilisées principalement dans le secteur aéronautique, ferroviaire et automobile.

HU: roulettes à forte absorption aux chocs. Protection des sols et forte résistance à l'abrasion et à l'usure. Recommandées pour les surfaces rugueuses, abîmées, avec des puces métalliques, traces d'huiles, morceaux de verre, graisses ou gravier. 

Composants

Montours

Fabrication en acier mécano-soudé jusqu’ 8 mm d’épaisseur. Protection par vernis noir. Système de pivotement avec un roulement à billes de précision et un roulement à rouleaux coniques, ces deux roulements placés de manière opposée. Le roulement supérieur destiné aux efforts axiaux et le roulement inférieur aux eff orts radiaux. Pivotement complètement étanche. Graisseur sur la tête de la chape et sur la roue. Fabrication conformément aux normes européennes EN 12532/12533.

Roue

Résistence Au Roulement Trés Bien
Le bruit de roulement Bien
Protection Du Sol Trés Bien

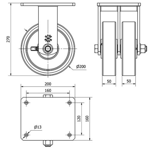
Données techniques 2-1869

EAN:
8422202218694
Type De Chape:
Fixe
Type De Monture:
Platine
Type De Frein:
Sans Frein
Matériel:
Polyuréthane
Dureté du bandage:
95º SHORE A
Roulement:
Billes
Diamètre (mm):
200
Largeur de la bande (mm):
50x2
Dimensions de la platine (mm):
200x160
Entre 'axe des trous de fixation (mm):
160x120
Diamètre du trou de fixation (mm):
12
Hauteur totale (mm):
270
Charge:
2200
Poids unitaire de la roue (kg):
14,356
Volume (cm3):
8640
Données techniques 2-1869

Espace privé

Regístrate
Télécharger en formats 3D
Télécharger en formats 2D
DWG
Télécharger le PDF
PDF
Prix
--

Produits similaires

Contact

Contactez-nous

Envoyez-nous le formulaire suivant et nous vous contacterons pour répondre à votre question.

Coordonnées:
Email: info@alex.es
Téléphone: (+34) 974 035 345
Horaires d’ouverture:
Lundi au vendredi: 8-14h / 15-18h
Samedi et dimanche: Fermé
Responsable: Ruedas Alex, S.L.U, siendo la Finalidad: gestionar el contacto entre cualquier interesado y nuestros servicios de atención. La Legitimación: es gracias a tu consentimiento. Destinatarios: no se comunicarán los datos personales a ningún tercero. Podrás efercer Tus Derechos de Acceso, Rectificación, Supresión, Limitación, Oposición y Portabilidad en rgpd@alex.es. Para más información consulte la Política de Privacidad.

Restez informé de toutes les nouvelles, offres et promotions que nous avons préparés pour vous.