Fabricants depuis 1958
Ruedas Alex

SÉRIE HLG-FT 2-3836

Voir la comparaison
Code: 2-3836

Roulette double en nylon extrafort, utilisées spécialement pour supporter de fortes charges jusqu'à 2 500 Kg.

Utilisées comme outils de transport et logistique, grues transporteuses de matériaux lourds tels que les plateformes élévatrices, gradins mobiles, utilisées principalement dans le secteur aéronautique, ferroviaire et automobile. 

FT: roulettes spécialement utilisées dans les industries alimentaire et chimique. Ne laisse pas de traces. Extraforte. Forte résistance aux chocs et coups. 

Composants

Montours

Fabrication en acier mécano-soudé jusqu’ 8 mm d’épaisseur. Protection par vernis noir. Système de pivotement avec un roulement à billes de précision et un roulement à rouleaux coniques, ces deux roulements placés de manière opposée. Le roulement supérieur destiné aux efforts axiaux et le roulement inférieur aux eff orts radiaux. Pivotement complètement étanche. Graisseur sur la tête de la chape et sur la roue. Fabrication conformément aux normes européennes EN 12532/12533.

Roue

Roue en polyamide 6 blanc, renforcé
Plage de températures: -30º ÷ +80º
Résistence Au Roulement Excellente
Le bruit de roulement Satisfaisant
Protection Du Sol Satisfaisant

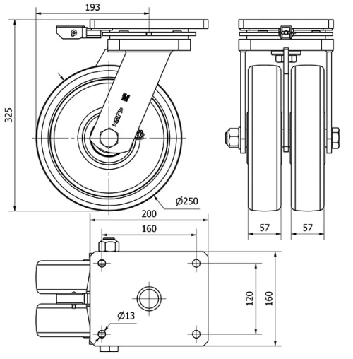
Données techniques 2-3836

EAN:
8422202238364
Type De Chape:
Pivotante
Type De Monture:
Platine
Type De Frein:
Blocage Directionnel
Matériel:
Polyamide 6
Roulement:
Billes
Diamètre (mm):
250
Largeur de la bande (mm):
57x2
Dimensions de la platine (mm):
200x160
Entre 'axe des trous de fixation (mm):
160x120
Diamètre du trou de fixation (mm):
12
Déport de la roulette (mm):
193
Hauteur totale (mm):
325
Charge:
2600
Poids unitaire de la roue (kg):
14,165
Volume (cm3):
15236
Données techniques 2-3836

Espace privé

Regístrate
Télécharger en formats 3D
Télécharger en formats 2D
DWG
Télécharger le PDF
PDF
Prix
--

Produits similaires

Contact

Contactez-nous

Envoyez-nous le formulaire suivant et nous vous contacterons pour répondre à votre question.

Coordonnées:
Email: info@alex.es
Téléphone: (+34) 974 035 345
Horaires d’ouverture:
Lundi au vendredi: 8-14h / 15-18h
Samedi et dimanche: Fermé
Responsable: Ruedas Alex, S.L.U, siendo la Finalidad: gestionar el contacto entre cualquier interesado y nuestros servicios de atención. La Legitimación: es gracias a tu consentimiento. Destinatarios: no se comunicarán los datos personales a ningún tercero. Podrás efercer Tus Derechos de Acceso, Rectificación, Supresión, Limitación, Oposición y Portabilidad en rgpd@alex.es. Para más información consulte la Política de Privacidad.

Restez informé de toutes les nouvelles, offres et promotions que nous avons préparés pour vous.