Fabricants depuis 1958
Ruedas Alex

SÉRIE HLB-NF 2-0114

Voir la comparaison
Code: 2-0114

Roulettes en nylon coulé renforcé de haute densité très résistantes contre tout type d'agents chimiques et à l'usure par abrasion, spécialement indiquée pour supporter de fortes charges allant jusqu'à 2.750 Kgs.

Elle est utilisée dans les carroceries, la logistique interne, les outils de transport, les plates-formes élévatrices, les chariots de transport, la machinerie lourde, les grues mobiles, les centres sportifs, les balayeuses, les polisseuses

NF: Roues à haute capacité de charge. Forte résistance aux coups et aux chocs. Très lourde. Faible résistance à la traction.

Un temps de repos prolongé pour éviter une surcharge thermique est recommandé.

Composants

Montours

Fabriquée d’acier soudé de 8 m/m à 18 m/m d’épaisseur. Finition peinte en noir. Combinaison de roulements à billes et coniques sur le support : le supérieur pour les efforts centraux, et le bas pour les efforts latéraux. Graisseurs à la tête du support et à la roue. Fabriquées selon les normes européennes EN 12532/12533.

Données techniques 2-0114

EAN:
8422202201146
Type De Chape:
Pivotante
Type De Monture:
Platine
Type De Frein:
Blocage Directionnel
Matériel:
Polyamide 6
Température Minimum (ºC):
-30
Température Maximale (ºC):
80
Roulement:
Billes
Couleur:
Blanc
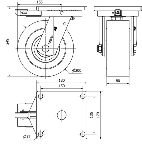
Diamètre (mm):
200
Largeur de la bande (mm):
80
Dimensions de la platine (mm):
180x170
Entre 'axe des trous de fixation (mm):
150x135
Diamètre du trou de fixation (mm):
17
Déport de la roulette (mm):
155
Hauteur totale (mm):
249
Charge:
3000
:
A
Données techniques 2-0114

Espace privé

Regístrate
Télécharger en formats 3D
Télécharger en formats 2D
DWG
Télécharger le PDF
PDF
Prix
--

Produits similaires

Contact

Contactez-nous

Envoyez-nous le formulaire suivant et nous vous contacterons pour répondre à votre question.

Coordonnées:
Email: info@alex.es
Téléphone: (+34) 974 035 345
Horaires d’ouverture:
Lundi au vendredi: 8-14h / 15-18h
Samedi et dimanche: Fermé
Responsable: Ruedas Alex, S.L.U, siendo la Finalidad: gestionar el contacto entre cualquier interesado y nuestros servicios de atención. La Legitimación: es gracias a tu consentimiento. Destinatarios: no se comunicarán los datos personales a ningún tercero. Podrás efercer Tus Derechos de Acceso, Rectificación, Supresión, Limitación, Oposición y Portabilidad en rgpd@alex.es. Para más información consulte la Política de Privacidad.

Restez informé de toutes les nouvelles, offres et promotions que nous avons préparés pour vous.