Fabricants depuis 1958
Ruedas Alex

SÉRIE KV-HU 4-0440

Voir la comparaison
Code: 4-0440

Roulettes à noyau en acier et bande en polyuréthane fondu avec dureté de 95˚ shore A, indiquées spécialement pour supporter de fortes charges jusqu'à 1 270 kg.

Appliquées comme outils de transport et logistique, surfaces extérieures, logistique interne, gradins mobiles. Plateformes élévatrices, chariots de transport, logistique, machinerie lourde du secteur de la construction, grues mobiles. Utilisées principalement dans le secteur aéronautique, ferroviaire et automobile.

HU: Forte absorption aux chocs. Conditions de chaussées défavorables. Surfaces rugueuses, abîmées, avec des puces métalliques, des traces d'huiles, de morceaux de verre, des traces de graisses ou du gravier.

Composants

Montours

Fabrication en acier forgé jusqu’à 10 mm d’épaisseur avec boulon. Protection par vernis noir. Système de pivotement avec un roulement à billes de précision et un roulement à rouleaux coniques, ces deux roulements placés de manière opposée. Le roulement supérieur destiné aux efforts axiaux et le roulement inférieur aux eff orts radiaux. Graisseur sur la tête de la chape et sur la roue. Fabrication conformément aux normes européennes EN 12532/12533.

Roue

Résistence Au Roulement Trés Bien
Le bruit de roulement Bien
Protection Du Sol Trés Bien

Données techniques 4-0440

EAN:
8422202404400
Type De Chape:
Pivotante
Type De Monture:
Platine
Type De Frein:
Sans Frein
Matériel:
Polyuréthane
Dureté du bandage:
95º SHORE A
Roulement:
Billes
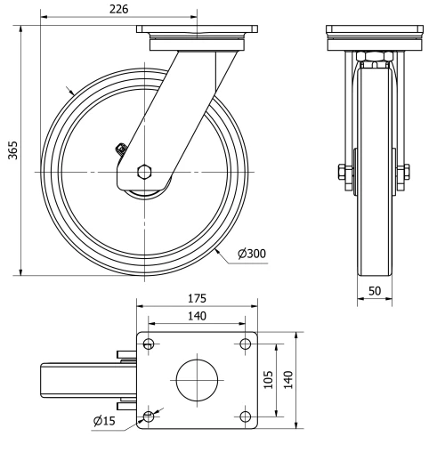
Diamètre (mm):
300
Largeur de la bande (mm):
50
Dimensions de la platine (mm):
175x140
Entre 'axe des trous de fixation (mm):
140x105
Diamètre du trou de fixation (mm):
14
Déport de la roulette (mm):
226
Hauteur totale (mm):
365
Charge:
1270
Poids unitaire de la roue (kg):
14,3
Volume (cm3):
16020
Données techniques 4-0440

Espace privé

Regístrate
Télécharger en formats 3D
Télécharger en formats 2D
DWG
Télécharger le PDF
PDF
Prix
--

Produits similaires

Contact

Contactez-nous

Envoyez-nous le formulaire suivant et nous vous contacterons pour répondre à votre question.

Coordonnées:
Email: info@alex.es
Téléphone: (+34) 974 035 345
Horaires d’ouverture:
Lundi au vendredi: 8-14h / 15-18h
Samedi et dimanche: Fermé
Responsable: Ruedas Alex, S.L.U, siendo la Finalidad: gestionar el contacto entre cualquier interesado y nuestros servicios de atención. La Legitimación: es gracias a tu consentimiento. Destinatarios: no se comunicarán los datos personales a ningún tercero. Podrás efercer Tus Derechos de Acceso, Rectificación, Supresión, Limitación, Oposición y Portabilidad en rgpd@alex.es. Para más información consulte la Política de Privacidad.

Restez informé de toutes les nouvelles, offres et promotions que nous avons préparés pour vous.