Fabricants depuis 1958
Ruedas Alex

SÉRIE HLS-HUAB 2-4042

Voir la comparaison
Code: 2-4042

Roulettes à noyau en acier et bande de polyuréthane fondu avec une dureté de 95˚ shore A avec bande de roulement sous forme balona, indiquées spécialement pour supoorter de fortes charges jusqu'à 800 kg avec support de suspension élastique avec incorporation de ressort très résistant, idéale sur sols irréguliers où son amortissement agit.

Appliquées comme outils de transport logistique, sur les surfaces extérieures, logistique interne, gradins mobiles, plateformes élévatrices, chariots de transport, missions de transport de matériel et logistique, machinerie lourde du secteur de la construction, grues mobiles. Utilisées principalement dans le secteur aéronautique, ferroviaire et automobile.

HUAB: Manoeuvrabilité maximale. Forte absorption aux chocs. Conditions de chaussées défavorables. Surfaces rugueuses, abîmées, avec des puces métalliques, des traces d'huiles, de morceaux de verre, des traces de graisses, du gravier.

Moins d'effort de rotation et de déplacement.

Composants

Montours

Fabriquée en acier forgé de 8mm. jusqu’à 18mm. d’épaisseur. Finition en peinture noire. Monture élastique grâce à l’incorporation de ressorts très résistants. Course du ressort jusqu’à 24,5mm. pour une charge de 700kg. Particulièrement adaptée pour absorber les coups, chocs et irrégularités. Fabriquée selon les normes Européennes EN12532/12533.

Roue

Corps de roue en fonte et bande de roulement en polyuréthane
Plage de températures: -20º ÷ +60º
Résistence Au Roulement Excellente
Le bruit de roulement Bien
Protection Du Sol Bien

Données techniques 2-4042

EAN:
8422202240428
Type De Chape:
Pivotante
Type De Monture:
Platine
Type De Frein:
Frein De Roue
Matériel:
Polyuréthane
Température Minimum (ºC):
-20
Température Maximale (ºC):
80
Dureté du bandage:
95º SHORE A
Roulement:
Billes
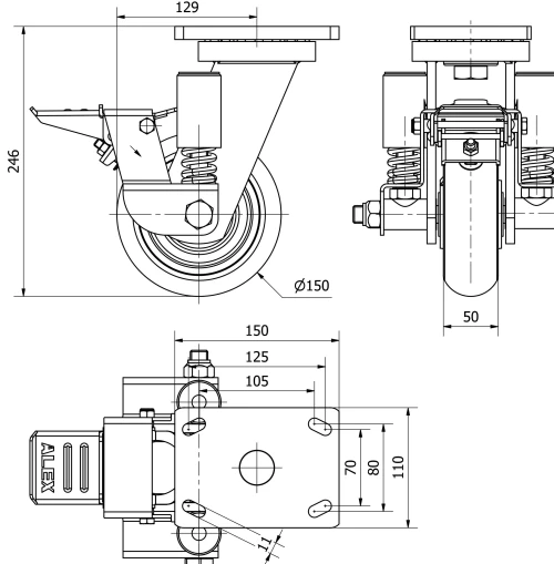
Diamètre (mm):
150
Largeur de la bande (mm):
50
Dimensions de la platine (mm):
150x110
Entre 'axe des trous de fixation (mm):
105x80
Diamètre du trou de fixation (mm):
10
Déport de la roulette (mm):
129
Hauteur totale (mm):
246
Charge:
600
Données techniques 2-4042

Espace privé

Regístrate
Télécharger en formats 3D
Télécharger en formats 2D
DWG
Télécharger le PDF
PDF
Prix
--

Produits similaires

Contact

Contactez-nous

Envoyez-nous le formulaire suivant et nous vous contacterons pour répondre à votre question.

Coordonnées:
Email: info@alex.es
Téléphone: (+34) 974 035 345
Horaires d’ouverture:
Lundi au vendredi: 8-14h / 15-18h
Samedi et dimanche: Fermé
Responsable: Ruedas Alex, S.L.U, siendo la Finalidad: gestionar el contacto entre cualquier interesado y nuestros servicios de atención. La Legitimación: es gracias a tu consentimiento. Destinatarios: no se comunicarán los datos personales a ningún tercero. Podrás efercer Tus Derechos de Acceso, Rectificación, Supresión, Limitación, Oposición y Portabilidad en rgpd@alex.es. Para más información consulte la Política de Privacidad.

Restez informé de toutes les nouvelles, offres et promotions que nous avons préparés pour vous.